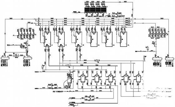
140000平米住宅小区地源热泵空调系统设计施工大样图
- 发布时间:2021-11-27
- 评论次数:0
- 浏览次数:0
- 文件大小:3.43 MB
- 收藏次数:0
-
文件名称:
附件-995858579568088876587.rar
地源热泵空调系统图下载
- 3层别墅地源热泵空调施工图系统图
- 地源热泵系统CAD详大样图
- 10157平米地源热泵空调系统施工大样图
- 3层别墅地源热泵空调系统设计CAD施工大样图
- 住宅小区地源热泵空调系统设计施工CAD大样图
- 地源热泵系统原理CAD图纸
- 工业工厂及配套设施空调系统设计CAD施工图纸(地源热泵系统)
- 工业工厂及配套设施空调系统设计CAD施工图纸(地源热泵系统)
- 地源热泵冰蓄冷系统吸附式空调系统设计CAD图纸
- 地源热泵空调系统热泵站房与换热系统设计施工大样图
- 3层别墅地源热泵空调施工图纸
- 工程地源热泵空调祥CAD图纸
- 别墅地源热泵空调设计CAD图纸
- 多层别墅地源热泵空调系统设计CAD施工图纸(冷暖联供空调系统)
- 地上3层别墅地源热泵空调系统设计CAD施工图纸(冷暖联供空调系统).dwg
- 4层实验室地源热泵空调系统设计施工图纸
- 3层别墅住宅楼地源热泵空调系统设计施工图纸
- 240平米3层别墅地源热泵中央空调系统施工图纸
- 3层独立别墅地源热泵空调系统施工图纸
- 小型别墅暖通空调系统设计CAD施工图纸(地源热泵)
全部评论
评论网友评论仅友表达个人看法,并不表明本站同意其观点,不得发布违反法律法规的内容!
