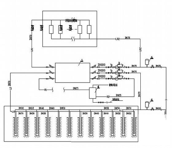
3层独立别墅地源热泵空调系统施工图纸
- 发布时间:2021-12-04
- 评论次数:0
- 浏览次数:0
- 文件大小:1.47 MB
- 收藏次数:0
-
文件名称:
附件-995858896888766700586.rar
别墅地源热泵空调下载
- 3层别墅地源热泵空调施工图纸
- 别墅地源热泵空调设计CAD图纸
- 3层别墅住宅楼地源热泵空调系统设计施工图纸
- 240平米3层别墅地源热泵中央空调系统施工图纸
- 小型别墅暖通空调系统设计CAD施工图纸(地源热泵)
- 4层别墅地源热泵中央空调系统CAD施工图纸
- 3层别墅地源热泵空调施工图系统图
- 3层别墅地源热泵空调系统设计CAD施工大样图
- 多层别墅地源热泵空调系统设计CAD施工图纸(冷暖联供空调系统)
- 地上3层别墅地源热泵空调系统设计CAD施工图纸(冷暖联供空调系统).dwg
- 地源热泵系统原理CAD图纸
- 工业工厂及配套设施空调系统设计CAD施工图纸(地源热泵系统)
- 工业工厂及配套设施空调系统设计CAD施工图纸(地源热泵系统)
- 别墅地源热泵CAD施工图纸.dwg
- 高档别墅地源热泵设计施工图纸.dwg
- 别墅地源热泵中央空调设计方案设计施工图纸
- 地源热泵冰蓄冷系统吸附式空调系统设计CAD图纸
- 2层精品别墅空调设计CAD施工大样图(地源热泵)
- 别墅区地源热泵全套空调CAD施工大样图
- 281平米3层别墅地源热泵空调系统设计施工大样图
全部评论
评论网友评论仅友表达个人看法,并不表明本站同意其观点,不得发布违反法律法规的内容!
