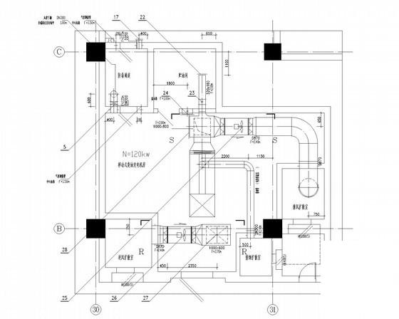
地下人防工程战时通风系统设计施工图纸
- 发布时间:2021-11-25
- 评论次数:0
- 浏览次数:0
- 文件大小:1.09 MB
- 收藏次数:0
-
文件名称:
附件-995858857085808587898.rar
人防通风设计下载
- 办公建筑平战结合地下人防工程设计CAD施工图纸(战时通风)
- 地库暖通防排烟系统设计CAD施工图纸(人防设计)(战时通风)
- 地下战时通风平面CAD图纸
- 中心医院平时及战时人防通风系统设计施工大样图
- 人防地下室战时给排水施工图纸cad系统图
- 地下室人防工程电气CAD施工图纸(战时平时)
- 地下车库人防通风系统设计施工图纸
- 住宅建筑地下室平时及战时通风系统设计施工大样图
- 附建式乙类人防地下室二等人员战时掩蔽部-通风系统设计(满足人防要求)
- 中心人防地下室给排水设计CAD施工方案图纸(平时、战时)
- 人防急救医院战时通风设计CAD施工大样图
- 地下室人防通风工程设计CAD施工图纸(地下1层,)
- 地下停车场通风防排烟系统设计CAD施工图纸(人防设计)
- 海地下车库人防通风设计施工图纸
- 地下室人防通风设计CAD施工图纸
- 地下车库通风人防排烟系统设计施工图纸
- 地下车库人防通风排烟系统设计CAD施工图纸
- 地下室人防通风工程设计CAD施工图纸
- 标准厂房工程地下室通风排烟及人防设计CAD施工图纸(人防计算书)
- 小高层办公楼平战时通风排烟系统设计施工图纸
全部评论
评论网友评论仅友表达个人看法,并不表明本站同意其观点,不得发布违反法律法规的内容!
