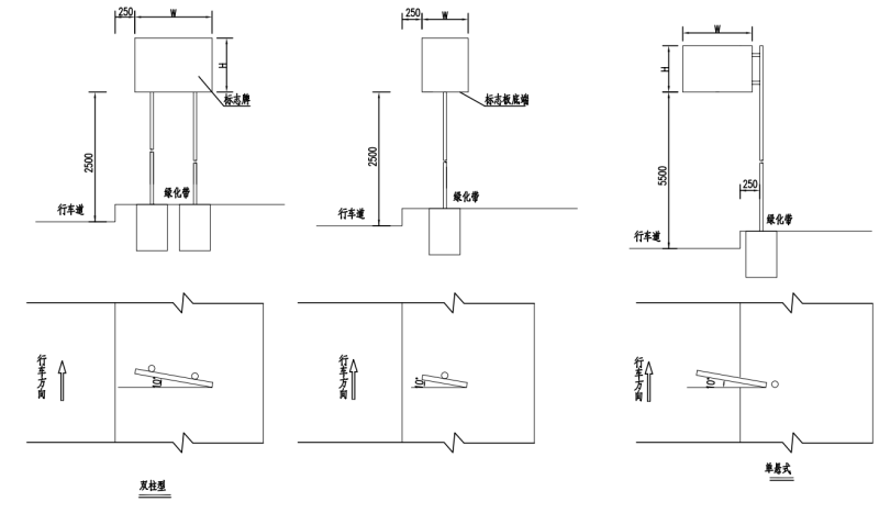
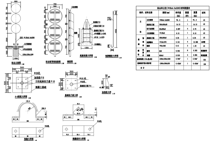
双向四车道安置社区道路交通工程施工大样图cad平面布置图
- 发布时间:2024-01-02
- 评论次数:0
- 浏览次数:0
- 文件大小:11.75 MB
- 收藏次数:0
- 
								文件名称: 附件-996855585998977788.zip 附件-996855585998977788.zip
								相关下载
							
						- 双向四车道城市支路全套设计施工大样图33张(道路交通工程).
- 双向四车道城市次干道电气照明工程施工图设计
- 双向四车道城市次干道排水工程施工图设计平面图
- 双向四车道城市支路道路工程施工大样图cad构造图
- 双向四车道城市次干道绿化工程施工图纸设计,平面图和布置图
- 双向四车道隧道通风设计CAD图纸
- 双向四车道城市次干路交通工程设计大样图
- 双向四车道城市支路三册全套施工大样图(dwg)
- 双向四车道交通工程标志标线改造施工大样图cad
- 双向四车道市政道路照明设计大样图平面图
- 双向四车道城市次干路交通工程大样图cad平面图
- 双向四车道市政道路工程施工大样图平面图及配筋图
- 双向四车道交安工程施工大样图及设计说明平面图及剖面图
- 双向四车道城市次干道绿化工程施工大样图设计平面图及立面图
- 双向二车道城市支路工程全套施工大样图(30张道路交通工程).
- 双向四车道城市次干道施工大样图设计平面布置图及污水纵断面图
- 双向六车道隧道交通工程施工大样图平面图,设计说明
- 双向六车道一级公路道路工程施工大样图设计平面布置图
- 双向四车道高速公路技改工程施工图纸81页(路桥涵).
- 四车道城市次干道道路工程施工大样图设计平面布置图
全部评论
						
							评论网友评论仅友表达个人看法,并不表明本站同意其观点,不得发布违反法律法规的内容!
						
						
 
	              	 
	              	 
	              	 
	              	 
	              	