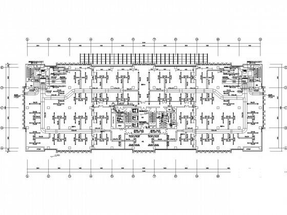
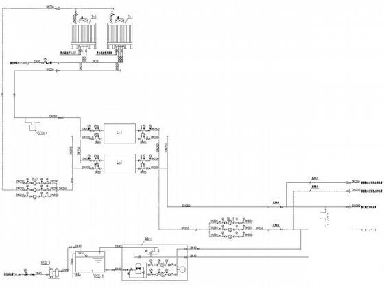
9层数据中心空调通风设计施工图纸
- 发布时间:2021-12-10
- 评论次数:0
- 浏览次数:0
- 文件大小:2.3 MB
- 收藏次数:0
- 
								文件名称: 附件-995858597905780857908.rar 附件-995858597905780857908.rar
								数据中心空调设计下载
							
						- 20039平米4层数据中心空调通风设计施工图纸
- 5层116680平米数据中心空调通风设计施工图纸
- 53938平米9层数据中心空调通风设计施工图纸
- 数据中心通风_空调系统设计施工图纸
- 4层数据中心空调通风设计CAD施工图纸
- 5层数据中心空调通风设计CAD施工图纸
- 4层大型数据中心空调通风及防排烟系统设计CAD施工图纸(大院设计)
- 574731平米4层大型数据中心空调通风及防排烟系统设计施工图纸
- 厂房空调通风布置设计CAD图纸
- 洗浴中心空调通风设计CAD图纸
- 酒店VRV空调通风设计CAD图纸
- 大厦空调通风设计图纸.dwg
- 商场空调通风设计图纸.dwg
- 工厂空调通风设计图纸.dwg
- 大型数据中心暖通冷源设计
- 大型数据中心电气设计方案.doc
- 数据中心给排水施工图纸
- 数据中心机房电气CAD施工图纸
- 11层医护楼空调通风设计CAD施工图纸(人防通风设计)
- 商场空调通风防排烟设计
全部评论
						
							评论网友评论仅友表达个人看法,并不表明本站同意其观点,不得发布违反法律法规的内容!
						
						
 
	              	 
	              	 
	              	 
	              	 
	              	