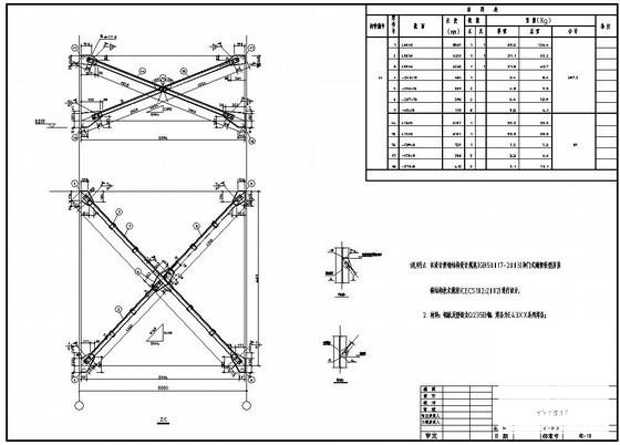
15m跨带10吨吊车钢结构厂房建筑结构设计图纸(独立基础)
- 发布时间:2022-10-03
- 评论次数:0
- 浏览次数:0
- 文件大小:0.46 MB
- 收藏次数:0
- 
								文件名称: 附件-995878807979585778758.rar 附件-995878807979585778758.rar
								相关下载
							
						- 带吊车钢结构厂房结构设计施工图纸(独立基础)
- 15m跨带10吨吊车钢结构厂房建筑结构设计CAD施工图纸
- 独立基础电器厂房钢结构CAD施工图纸(带吊车梁)
- 钢结构厂房结构CAD施工图纸(独立基础带吊车)(轻型门式刚架)
- 钢结构厂房结构CAD施工图纸(独立基础带吊车)
- 17.7m跨带吊车钢结构厂房结构设计施工图纸
- 32米跨独立基础门式刚架带吊车结构CAD施工图纸
- 带吊车高低跨门式刚架厂房结构CAD施工图纸(独立基础)
- 9米跨带吊车厂房结构CAD图纸
- 18m跨钢结构厂房(带吊车)结构CAD图纸(系统布置图)
- 2×18米跨带吊车钢结构厂房设计CAD图纸
- 24米跨车间钢结构厂房CAD图纸(带吊车)
- 钢结构厂房结构CAD施工图纸(30米跨带吊车)
- 钢结构厂房结构CAD施工图纸(24米跨带吊车)
- 单层两跨带吊车钢结构厂房结构施工图纸(PDF、12张).
- 30米跨单层钢结构厂房结构设计图纸(独立基础)
- 20米跨单层钢结构厂房结构设计图纸(独立基础)
- 26.7m跨单层独立基础钢结构厂房结构设计CAD图纸
- 跨度8m带吊车单层钢混排架厂房结构设计图纸(独立基础)
- 钢结构厂房建筑结构CAD施工图纸(20米跨独立基础)
全部评论
						
							评论网友评论仅友表达个人看法,并不表明本站同意其观点,不得发布违反法律法规的内容!
						
						
 
	              	 
	              	 
	              	