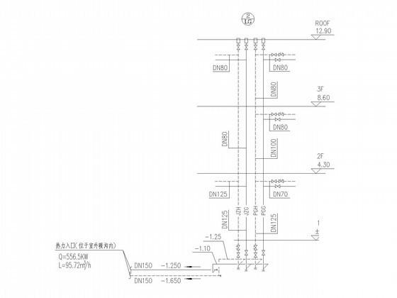
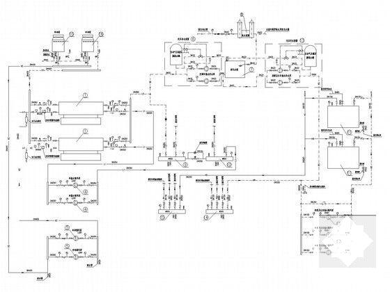
7层商业综合体暖通空调系统及动力站设计施工大样图
- 发布时间:2021-12-10
- 评论次数:0
- 浏览次数:0
- 文件大小:6.94 MB
- 收藏次数:0
- 
								文件名称: 附件-995858705897876509877.rar 附件-995858705897876509877.rar
								商业综合体设计下载
							
						- 国内7层商业综合体暖通空调系统及动力站设计CAD施工图纸(换热器机组)
- 生产厂房及动力站暖通空调系统设计施工CAD大样图(工冷却水系统高压微雾加湿系统)
- 高层商业综合体通风空调及防排烟系统设计施工图纸
- 20层商业综合体暖通空调设计CAD施工图纸(系统原理图)
- 生产厂房及动力站暖通空调系统设计CAD施工图纸(工冷却水系统高压微雾加湿系统)
- 多层商业裙楼暖通空调系统设计施工大样图
- 4层大型商业综合体暖通CAD施工图纸(空调冷热水系统)
- 23层商业综合体空调通风及防排烟系统设计CAD施工图纸(节能设计)
- 高层商业综合体空调通风及防排烟系统设计CAD施工图纸(节能设计)
- 23层商业综合体空调通风及防排烟系统设计施工图纸
- 23层商业综合体空调通风及防排烟系统设计CAD施工图纸
- 21层商业综合体通风空调及防排烟系统设计CAD施工图纸
- 24层地标性商业综合建筑暖通空调及通风系统施工大样图
- 商业建筑空调系统流程及原理设计施工大样图
- 27层大型广场综合体暖通空调全套施工CAD大样图
- 12层商业综合体空调及通风排烟设计CAD施工图纸(VRV空调机组)
- 13层商业综合体空调及通风排烟设计CAD施工图纸(VRV空调机组)
- 大数据园区综合体暖通施工图纸平面图及系统图
- 科研楼暖通空调系统施工大样图
- 金融街商业办公综合体暖通设计施工图纸
全部评论
						
							评论网友评论仅友表达个人看法,并不表明本站同意其观点,不得发布违反法律法规的内容!
						
						
 
	              	 
	              	 
	              	 
	              	 
	              	