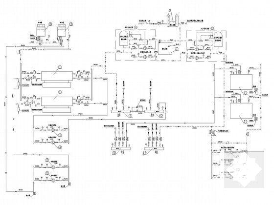
国内7层商业综合体暖通空调系统及动力站设计CAD施工图纸(换热器机组)
- 发布时间:2023-01-03
- 评论次数:0
- 浏览次数:0
- 文件大小:6.94 MB
- 收藏次数:0
-
文件名称:
附件-995858705897876509877.rar
相关下载
- 7层商业综合体暖通空调系统及动力站设计施工大样图
- 12层商业综合体空调及通风排烟设计CAD施工图纸(VRV空调机组)
- 13层商业综合体空调及通风排烟设计CAD施工图纸(VRV空调机组)
- 高层商业综合体通风空调及防排烟系统设计施工图纸
- 20层商业综合体暖通空调设计CAD施工图纸(系统原理图)
- 生产厂房及动力站暖通空调系统设计CAD施工图纸(工冷却水系统高压微雾加湿系统)
- 生产厂房及动力站暖通空调系统设计施工CAD大样图(工冷却水系统高压微雾加湿系统)
- 4层大型商业综合体暖通CAD施工图纸(空调冷热水系统)
- 23层商业综合体空调通风及防排烟系统设计CAD施工图纸(节能设计)
- 高层商业综合体空调通风及防排烟系统设计CAD施工图纸(节能设计)
- 高层办公楼暖通空调系统设计CAD施工图纸(风冷模块机组)
- 5层酒店暖通空调系统设计CAD施工图纸(风冷热泵机组)
- 23层商业综合体空调通风及防排烟系统设计施工图纸
- 商业建筑空调及通风系统设计CAD施工图纸(水冷式冷水机组)
- 商业综合楼空调通风及防排烟系统设计CAD施工图纸(风冷热泵机组)
- 23层商业综合体空调通风及防排烟系统设计CAD施工图纸
- 21层商业综合体通风空调及防排烟系统设计CAD施工图纸
- 商业建筑空调及通风系统设计CAD施工图纸(水冷式冷水机组)
- 国内城市商业综合体案列分析
- 多层酒店暖通空调系统设计CAD施工大样图(风冷热泵机组)
全部评论
评论网友评论仅友表达个人看法,并不表明本站同意其观点,不得发布违反法律法规的内容!
