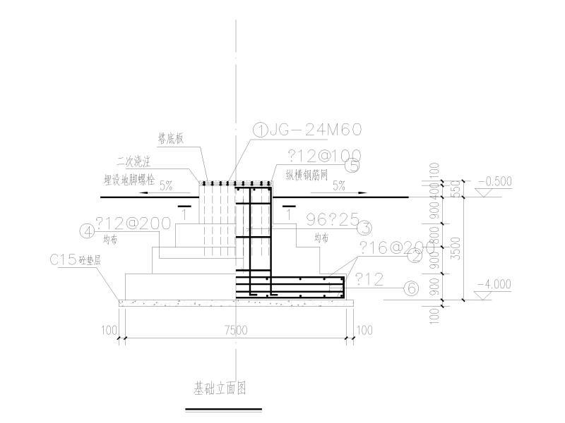
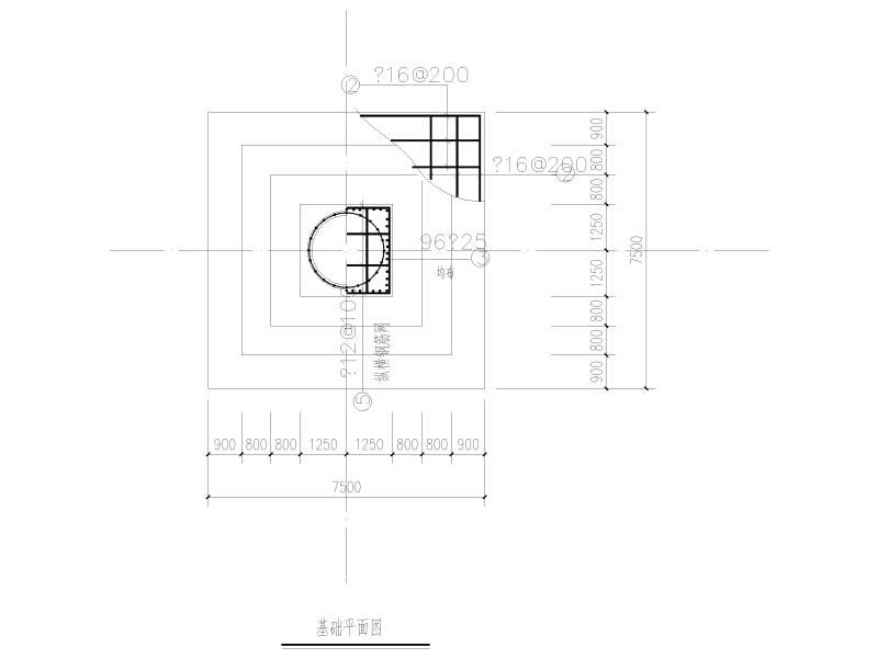
单管铁塔基础及室内法拉第笼结施
- 发布时间:2021-12-07
- 评论次数:0
- 浏览次数:0
- 文件大小:0.09 MB
- 收藏次数:0
- 
								文件名称: 附件-996976058506887985.dwg 附件-996976058506887985.dwg
								相关下载
							
						- 室内钢结构楼梯结施图纸
- 铁塔基础施工总说明
- 砖混别墅结施CAD图纸
- 3层砌体结构住宅结施
- 国内框架厂房结施CAD图纸
- 框架小学结施CAD图纸
- 框架房屋结施CAD图纸
- 龙翔中学结施CAD图纸
- 春天花园别墅结施
- 下车库结施CAD图纸
- 铁塔基础节点构造详图纸cad
- 6层剪力墙结构筏板基础结施CAD施工图纸
- 17层剪力墙结构高层住宅楼结施(地下1层、预应力管桩)
- 17层剪力墙结构高层住宅结施(地下1层、预应力管桩)
- 钢筋混凝土结构截污纳管结施施工图纸2017.dwg
- 7层框架结构综合办公楼设计(建施结施计算书及弯矩分配)
- 通信单管塔结构详图纸
- 3层框架结构门楼及围墙结施施工大样图2016
- 单层框架结构消防泵房及水池结施2019
- 臭氧催化氧化池及曝气生物滤池结施施工图纸2015
全部评论
						
							评论网友评论仅友表达个人看法,并不表明本站同意其观点,不得发布违反法律法规的内容!
						
						
 
	              	 
	              	