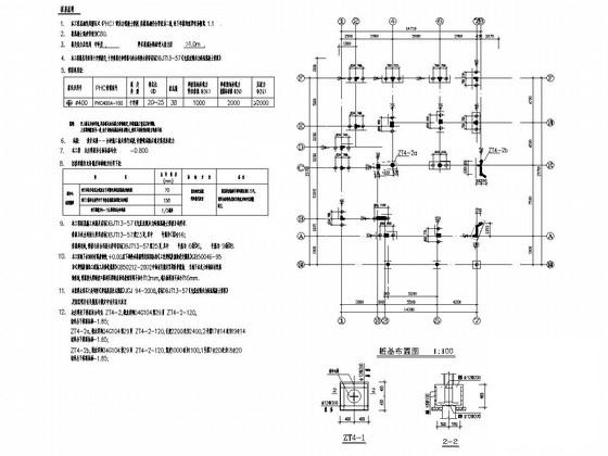
950平4层框架结构别墅结构施工大样图
- 发布时间:2021-12-05
- 评论次数:0
- 浏览次数:0
- 文件大小:4.34 MB
- 收藏次数:0
-
文件名称:
附件-995887978658055766579.rar
框架结构别墅图下载
- 2800平4层框架结构别墅建筑结构施工大样图
- 888平3层框架结构别墅结构施工大样图
- 1500平3层异形柱框架结构别墅建筑结构施工大样图
- 450平4层框架结构独栋别墅结构施工图纸
- 888平3层框架结构别墅结构CAD施工图纸(建筑图纸)
- 4层异形柱框架结构别墅结构CAD施工大样图(600平含建筑大样图)
- 860平3层框架结构办公楼结构施工大样图
- 4000平6层框架结构综合楼结构施工大样图
- 1300平3层框架结构科技研发楼结构施工大样图
- 450平4层框架结构独栋别墅结构CAD施工图纸(建筑图纸)
- 4层框架结构别墅建筑结构CAD图纸(柱平法施工方案图)
- 400平3层简欧风格别墅建筑施工CAD大样图
- 框架结构3层别墅入口主水景CAD施工图纸,(建筑平立面图)
- 2000平4层框架结构社区幼儿园建筑结构施工大样图
- 810平两层框架结构社区服务用房建筑结构施工大样图
- 5989平18层框架结构商住楼建筑结构施工大样图
- 11000平11层框架结构服务中心综合楼结构施工大样图
- 6800平6层(局部7层)框架结构住宅楼结构施工大样图
- 1500平3层异形柱框架结构住宅楼结构施工大样图
- 2400平6层框架结构棚户区改造项目住宅结构CAD施工大样图
全部评论
评论网友评论仅友表达个人看法,并不表明本站同意其观点,不得发布违反法律法规的内容!
