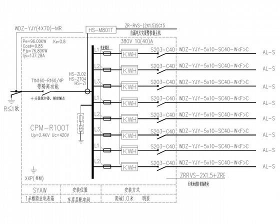
上18层商业住宅楼强弱电CAD施工图纸(甲级设计院)(火灾自动报警)
- 发布时间:2022-12-30
- 评论次数:0
- 浏览次数:0
- 文件大小:9.01 MB
- 收藏次数:0
-
文件名称:
附件-995856056879557557650.rar
相关下载
- 18层小区住宅楼强弱电CAD施工图纸(甲级设计院)(火灾自动报警)
- 地上18层商业楼电气CAD施工图纸(甲级设计院)(火灾自动报警)
- 10层机房电气施工图纸(甲级设计院设计)(火灾自动报警)
- 30层住宅楼电气设计CAD施工图纸(甲级设计院)(火灾自动报警)
- 28层住宅楼电气CAD施工图纸(甲级设计院)(火灾自动报警)
- 一类高层住宅楼强弱电CAD施工图纸(甲级设计院、99米)(火灾自动报警)
- 地上30层住宅楼及地下1层地下车库强弱电CAD施工图纸(甲级设计院)(火灾自动报警)
- 上33层住宅楼电气CAD施工图纸(甲级院设计)(火灾自动报警系统)
- 32层商业住宅楼强弱电CAD施工图纸(车库)(火灾自动报警)
- 32层商业住宅楼强弱电CAD施工图纸(车库)(火灾自动报警)
- 22层知名广场公寓楼强弱电CAD施工图纸(一类高层、甲级设计院)(火灾自动报警)
- 一类高层综合楼强弱电CAD施工图纸(甲级设计院)(火灾自动报警)
- 4层幼儿园综合楼强弱电CAD施工图纸(甲级设计院)(火灾自动报警)
- 知名广场公寓楼强弱电施工CAD图纸(一类高层、甲级设计院)(火灾自动报警系统)(TN-S)
- 安居工程电气设计CAD施工图纸(甲级设计院)(火灾自动报警)
- 16层甲级设计院酒店式公寓电气CAD施工图纸(火灾自动报警)
- 24层住宅楼强弱电电气CAD施工图纸(火灾自动报警)
- 32层住宅楼强弱电CAD施工图纸(人防)(火灾自动报警)
- 18层商业住宅楼电气CAD施工图纸(火灾自动报警)
- 六万平12层商业综合楼强弱电CAD施工图纸(火灾自动报警)
全部评论
评论网友评论仅友表达个人看法,并不表明本站同意其观点,不得发布违反法律法规的内容!
