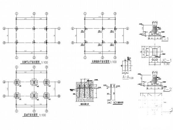
单层钢框架结构传达室结构CAD施工图纸(独立基础)
- 发布时间:2022-09-20
- 评论次数:0
- 浏览次数:0
- 文件大小:0.88 MB
- 收藏次数:0
-
文件名称:
附件-995877595550507878885.zip
相关下载
- 单层独立基础钢框架结构屠宰场结构CAD施工图纸
- 单层框架结构钢屋盖食堂结构CAD施工图纸(独立基础)
- 独立基础单层钢框架结构4S店结构设计CAD施工图纸
- 单层钢排架厂房结构设计施工图纸(独立基础)
- 独立基础单层钢框架停车棚结构CAD施工图纸
- 单层矩形柱框架结构地下车库结构CAD施工图纸(独立基础)
- 独立基础单层框架结构别墅结构CAD施工图纸(坡屋面)
- 单层框架结构厂房传达室结构施工图纸
- 单层框架结构体育场看台建筑施工CAD图纸(独立基础)
- 单层大门及围墙框架结构CAD施工图纸(独立基础)
- 地上2层钢框架结构车间厂房结构CAD施工图纸(独立基础)
- 独立基础钢框架结构行政中心办公楼结构CAD施工图纸
- 钢框架结构售楼处结构CAD施工图纸(3层独立基础)
- 钢框架结构售楼处结构CAD施工图纸(3层独立基础)
- 5层职工宿舍改建钢框架结构CAD施工图纸(独立基础)
- 候车亭钢框架结构CAD施工图纸(独立基础)
- SAP会所钢框架结构CAD施工图纸(独立基础)
- 独立基础钢框架结构售楼部CAD施工图纸
- 卫生服务中心电梯钢框架结构CAD施工图纸(独立基础)
- 独立基础钢桁架大门结构施工图纸
全部评论
评论网友评论仅友表达个人看法,并不表明本站同意其观点,不得发布违反法律法规的内容!
