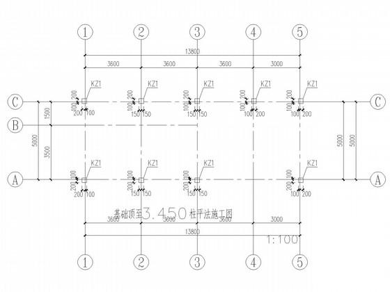
单层大门及围墙框架结构CAD施工图纸(独立基础)
- 发布时间:2023-02-02
- 评论次数:0
- 浏览次数:0
- 文件大小:0.23 MB
- 收藏次数:0
-
文件名称:
附件-995878997885769755568.zip
相关下载
- 单层大门及围墙框架结构CAD施工大样图
- 电动伸缩大门及围墙图纸
- 大门及围墙立面图纸
- 单层女子劳教所大门及围墙建筑施工CAD图纸
- 村落围墙及大门建筑CAD施工图纸
- 围墙大门施工节点图纸.
- 大门围墙节点钢管基础大样图正面图及立面图
- 大门及围墙建筑设计方案.dwg
- 独立基础框架大门结构施工图纸
- 独立基础钢桁架大门结构施工图纸
- 宾馆大门和围墙施工图纸
- 围墙大门建筑施工CAD图纸.dwg
- 围墙大门建筑大样图纸
- 围墙大门节点大样CAD图纸
- 单层独立基础钢框架结构屠宰场结构CAD施工图纸
- 单层框架结构钢屋盖食堂结构CAD施工图纸(独立基础)
- 单层钢框架结构传达室结构CAD施工图纸(独立基础)
- 单层框架结构体育场看台建筑施工CAD图纸(独立基础)
- 单层矩形柱框架结构地下车库结构CAD施工图纸(独立基础)
- 独立基础单层框架结构别墅结构CAD施工图纸(坡屋面)
全部评论
评论网友评论仅友表达个人看法,并不表明本站同意其观点,不得发布违反法律法规的内容!
