7层住宅给排水施工图纸

  • 设计详细说明:有
  • 建筑类别:住宅
  • 建筑高度类型:高层建筑
  • 建筑地上层数:7层
  • 图纸设计深度:施工图
  • 参考图纸:11张
  • 设计年代:近代
  • 生活供水设计:生活给水系统
  • 排水设计:污水系统,废水系统
  • 排水体制:污废分流,雨污分流
  • 消火栓用水量室外(L/S):15

附件详情

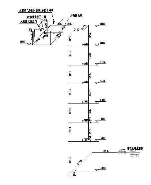
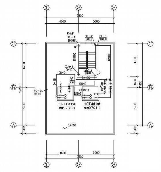
图纸内容为七层住宅给排水施工图,该项目为七层住宅楼,属三类建筑,一层为架空车库,二至七层为住宅。建筑高度为23.0m,建筑面积约为909.6平方米,室外消防用水量为15L/s,均按正常环境设计。该项目室外消防用水量为15L/S,其消防供电负荷等级为三级,该项目在各层消火栓箱内设有消防按钮 .屋顶设有稳压泵。

以下是附件的其中一部分截图,共4张,您也可以 搜索 更多您想要的资源
  • 住宅给排水图纸 - 1
    住宅给排水图纸 - 1
  • 住宅给排水图纸 - 2
    住宅给排水图纸 - 2
  • 住宅给排水图纸 - 3
    住宅给排水图纸 - 3
  • 住宅给排水图纸 - 4
    住宅给排水图纸 - 4
以上是部分截图,请下载附件后查看完整高清内容
网站首页  | 
本站所有内容均由网友自主分享,仅供学习和参考,如有侵权内容或者违法行为,请及时联系站长删除。