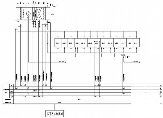
海公司厂房空调控制系统竣工图纸
- 发布时间:2021-12-01
- 评论次数:0
- 浏览次数:0
- 文件大小:1.37 MB
- 收藏次数:0
-
文件名称:
附件-995857086908595575789.rar
厂房空调系统下载
- 大型厂房自动控制系统竣工图纸
- 厂房空调CAD图纸竣工图纸
- 海厂房给排水室外套图纸
- 海足球场空调通风图纸
- 框架结构公司厂房生产车间电气CAD施工图纸(联动控制系统)
- 2层公司厂房生产车间电气CAD施工图纸(联动控制系统)
- 公司室外给排水竣工图纸.dwg
- 证券公司插座照明竣工图纸.
- 化妆品公司厂房空调通风施工图纸
- 公司4层厂房空调图纸(设计说明).dwg
- 公司新建钢结构厂房竣工CAD图纸(建筑设计说明)
- 厂房暖通竣工CAD图纸
- 海高层丙类厂房电气施工图纸
- 海3层别墅空调采暖施工图纸
- 海4层敬老院空调施工图纸
- 市四海花园安居工程—电竣工程
- 机电公司厂房图纸.
- 公司培训中心装修工程竣工图纸
- 4层实验公司电气竣工CAD施工图纸
- 4层实验公司电气竣工CAD图纸
全部评论
评论网友评论仅友表达个人看法,并不表明本站同意其观点,不得发布违反法律法规的内容!
