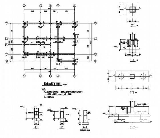
溧阳市2层框架管理用房结构设计CAD图纸(基础平面图)
- 发布时间:2022-11-23
- 评论次数:0
- 浏览次数:0
- 文件大小:1.33 MB
- 收藏次数:0
- 
								文件名称: 附件-995876957779706708575.rar 附件-995876957779706708575.rar
								相关下载
							
						- 溧阳市公司5层框架生产管理用房结构设计CAD施工大样图
- 溧阳公5层框架生产管理用房结构设计CAD施工图纸(基础平面图)
- 单层框架结构公园管理用房结构设计施工图纸
- 4层框架结构现场管理用房结构设计方案CAD图纸
- 溧阳市2层框架综合楼结构设计CAD图纸(PKPM模型)(基础平面图)
- 公园管理用房施工CAD详图纸
- 管理用房设计图纸.dwg
- 工业园管理用房施工做法
- 轻钢结构管理用房
- 公园管理用房建筑施工图纸_节点详图_各层平面图_cad
- 管理用房设计建筑施工图纸_cad平面图_剖面图
- 淳安渣土消纳场建设工程_建筑垃圾_管理用房建筑设计平面图
- 3层框架结构卷烟厂库区管理用房结构设计施工图纸
- 单层框架结构公园管理用房结构CAD施工图纸(建筑图纸)
- 框架结构人民广场地下车库及管理用房结构施工图纸
- 4层框架结构水厂综合管理用房及门岗结构施工图纸
- 5层框架结构社区管理用房结构施工图纸
- 3层框架结构水厂管理用房结构施工图纸
- 文化广场管理用房建筑施工CAD图纸(四层框架结构)
- 3层框架结构卷烟厂库区管理用房结构CAD施工图纸
全部评论
						
							评论网友评论仅友表达个人看法,并不表明本站同意其观点,不得发布违反法律法规的内容!
						
						
 
	              	 
	              	 
	              	