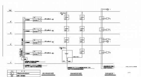
公司4层行政办公楼电气设计CAD施工图纸(消防联动控制系统)
- 发布时间:2022-11-04
- 评论次数:0
- 浏览次数:0
- 文件大小:1.46 MB
- 收藏次数:0
-
文件名称:
附件-995856859856856980809.rar
相关下载
- 公司4层行政办公楼电气CAD施工图纸(消防联动控制系统)
- 软件园办公楼电气设计CAD施工图纸(消防联动控制系统)
- 博物馆电气设计CAD施工图纸(消防联动控制系统)
- 15层电梯公寓电气设计CAD施工图纸(消防联动控制系统)
- 海边车库水电房消防电气设计CAD施工图纸(联动控制系统)
- 15层商住楼电气设计图纸(消防联动控制系统)
- 8层商贸中心迎宾楼电气设计CAD图纸(消防联动控制系统)
- 2层实验中学餐厅电气设计CAD图纸(消防联动控制系统)
- 学院弱电施工方案(消防联动控制系统)
- 10层科研办公楼电气CAD施工图纸(消防联动控制系统)
- 热电厂6层行政综合楼电气CAD施工图纸(消防联动控制系统)
- 水泵房消防联动控制系统CAD图纸
- 30层住宅楼小区电气设计CAD施工图纸(消防联动控制系统)
- 4层体育馆电气设计CAD施工图纸(消防联动控制系统)
- 医院11层综合楼电气设计CAD施工图纸(消防联动控制系统)
- 独立基础小区32层住宅楼电气设计CAD施工图纸(消防联动控制系统)
- 四星级酒店电气设计CAD施工图纸(消防联动控制系统)
- 3层中心医院病房楼电气设计CAD施工图纸(消防联动控制系统)
- 19层四星大酒店电气设计CAD图纸(消防联动控制系统)
- 8层商贸中心迎宾楼电气设计图纸(二级负荷)(消防联动控制系统)
全部评论
评论网友评论仅友表达个人看法,并不表明本站同意其观点,不得发布违反法律法规的内容!
