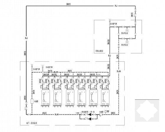
17层四星级酒店给排水CAD施工图纸
- 发布时间:2022-10-13
- 评论次数:0
- 浏览次数:0
- 文件大小:2.35 MB
- 收藏次数:0
- 
								文件名称: 附件-995860769877555675867.rar 附件-995860769877555675867.rar
								相关下载
							
						- 四星级酒店给排水全套CAD图纸
- 18层四星级公寓式酒店给排水CAD施工图纸
- 四星级大酒店给排水设计CAD施工图纸.dwg
- 四星级酒店建筑CAD施工图纸
- 四星级酒店空调施工设计CAD图纸
- 7层四星级酒店给排水图纸(湿式喷水灭火)
- 7层四星级大酒店给排水图纸(湿式自动喷淋)
- 11层四星级大酒店给排水CAD图纸
- 四星级大酒店给排水消防设计CAD图纸
- 四星级酒店给排水及消防设计CAD图纸
- 四星级酒店电气CAD图纸
- 四星级酒店建筑施工图纸_cad_框架剪力墙酒店
- 四星级酒店建筑设计.dwg
- 四星级酒店规划建筑设计
- 四星级酒店建筑方案文本
- 8层四星级酒店给排水CAD施工图纸(附楼)(集中热水系统)
- 4层四星级酒店给排水消防CAD施工图纸(自动喷水灭火系统)
- 城市四星级大酒店给排水设计CAD施工图纸(自动喷水灭火系统)
- 11层四星级大酒店给排水CAD施工图纸(自动喷水灭火系统)
- 4层四星级酒店给排水消防CAD施工方案图纸(自动喷水灭火系统)
全部评论
						
							评论网友评论仅友表达个人看法,并不表明本站同意其观点,不得发布违反法律法规的内容!
						
						
 
	              	 
	              	 
	              	 
	              	 
	              	