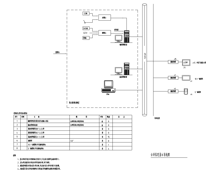
省中心医院大楼改造13层14层-智能化CAD平面图及系统图
- 发布时间:2024-01-02
- 评论次数:0
- 浏览次数:0
- 文件大小:5.53 MB
- 收藏次数:0
- 
								文件名称: 附件-996870768558509555.zip 附件-996870768558509555.zip
								相关下载
							
						- 省中心医院大楼改造13层14层CAD施工图纸-电气,平面图,系统图
- 6层学校弱电智能化施工图纸平面图及系统图
- 农民新村安置房弱电智能化平面图及系统图
- 生活护理体验中心弱电智能化cad平面图及系统图
- 酒店消防改造设计项目平面图及系统图,施工图
- 医院综合大楼弱电智能化系统CAD图纸
- 2层106厂房改造电气平面图及强电系统图
- 精品酒店项目消防改造工程平面图及消火栓系统原理图
- 城中村改造项目给排水施工图纸平面图及系统图
- 三家医院改建弱电智能化施工图纸平面图及系统图
- 高层医院综合楼弱电智能化施工图纸平面图及系统图
- 智能化应急物资储备仓储物流中心电气施工图纸cad平面图及系统图
- 中心医院平时及战时人防通风系统设计施工大样图
- 中心医院病房大楼毕业设计方案
- 卫生院改造给排水施工图大样图及平面图,系统图
- 22层中心医院住院大楼给排水CAD施工大样图.dwg
- 小区智能化系统节点大样及系统图(14页CAD图纸)
- 棚户区改造工程给排水施工图纸大样图及平面图,系统图
- 32层农村改造项目暖通施工大样图平面图及系统图
- 4层学生宿舍改造水电施工大样图平面图及系统图
全部评论
						
							评论网友评论仅友表达个人看法,并不表明本站同意其观点,不得发布违反法律法规的内容!
						
						
 
	              	 
	              	 
	              	 
	              	 
	              	