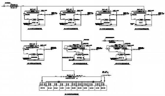
22880平米9层医院净化空调施工大样图
- 发布时间:2021-11-23
- 评论次数:0
- 浏览次数:0
- 文件大小:1.67 MB
- 收藏次数:0
- 
								文件名称: 附件-995858697880597888556.rar 附件-995858697880597888556.rar
								医院净化空调施工下载
							
						- 医院净化空调施工图纸
- 解放军医院净化空调图纸
- 医院消毒中心净化空调CAD图纸
- 医院消毒供应中心净化空调施工图纸
- 医院净化空调施工设计图平面图
- 医院血液病房净化空调施工图纸
- 国内9层医院净化空调CAD施工图纸
- 医院检验科净化空调CAD施工图纸
- 6层医院综合楼净化空调系统设计施工大样图
- 7层医院住院楼空调净化工程设计施工大样图
- 医院手术部净化空调图纸
- 700平米医院消毒中心净化空调图纸
- 5层药厂净化空调施工大样图
- 2215平米3层三甲医院净化空调通风系统设计施工大样图
- 9层医院外科病房楼净化空调系统设计施工大样图
- 中医院洁净手术部净化空调工程施工大样图
- 6层医院综合楼净化空调系统设计CAD施工大样图(水源热泵)
- 9层医院外科病房楼净化空调系统设计CAD施工大样图
- 7层医院住院楼空调净化工程设计CAD施工大样图
- 制剂车间净化空调设计CAD大样图
全部评论
						
							评论网友评论仅友表达个人看法,并不表明本站同意其观点,不得发布违反法律法规的内容!
						
						
 
	              	 
	              	 
	              	