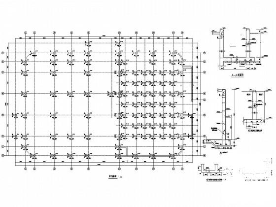
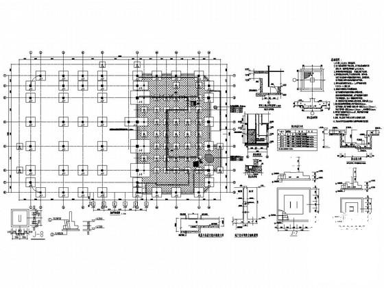
地上4层全现浇框架结构办公楼结构施工图纸
- 发布时间:2021-12-04
- 评论次数:0
- 浏览次数:0
- 文件大小:1.99 MB
- 收藏次数:0
-
文件名称:
附件-995888089877508579788.zip
全现浇框架结构下载
- 地上4层全现浇框架结构办公楼结构CAD施工图纸
- 地上4层现浇框架结构办公楼结构施工大样图
- 6层全现浇框架结构住宅楼结构施工图纸
- 3层全现浇框架办公楼结构CAD施工图纸
- 试论砼全现浇剪力墙结构施工.pdf
- 1层全现浇钢筋混凝土框架结构设计说明
- 地上6层现浇框架结构教学楼结构CAD施工方案图纸
- 地上3层现浇框架结构食堂结构施工大样图
- 地上2层现浇框架结构风雨操场结构施工大样图
- 震后全现浇大跨度框架结构剧场结构图纸(梁平法施工图)
- 3层全现浇框架办公楼结构CAD施工图纸(7度抗震独立基础)
- 局部4层全框架结构办公楼建筑施工CAD图纸
- 3层现浇框架结构办公楼结构CAD施工图纸
- 3层现浇框架结构办公楼结构施工大样图
- 多层框架办公楼结构施工全CAD图纸
- 地上5层框架结构商业办公楼地上部分结构施工图纸
- 多层全现浇异形柱框架结构别墅结施平面布置图及大样图
- 1层全现浇钢筋混凝土框架结构设计说明.dwg
- 地上6层现浇框架结构教学楼结构设计施工图纸
- 地上3层现浇框架结构学生服务中心结构施工图纸
全部评论
评论网友评论仅友表达个人看法,并不表明本站同意其观点,不得发布违反法律法规的内容!
