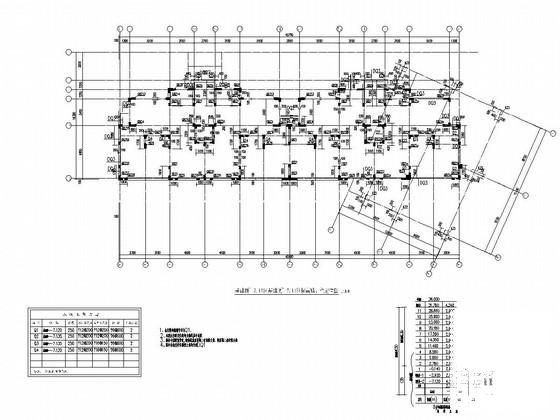
11层剪力墙结构住宅楼结构施工图墙柱定位图
- 发布时间:2021-12-03
- 评论次数:0
- 浏览次数:0
- 文件大小:1.62 MB
- 收藏次数:0
-
文件名称:
附件-995888989998875956808.rar
剪力墙结构柱下载
- 异型柱框架剪力墙结构
- 异型柱框架剪力墙结构CAD图纸
- 异形柱-剪力墙结构设计
- 剪力墙端柱表
- 33层剪力墙结构住宅楼结构施工图剪力墙暗柱表
- 7层异形柱框架剪力墙结构住宅楼结构施工图纸
- 11层剪力墙结构住宅楼结构施工图柱表图
- 17层剪力墙结构住宅楼结构施工图墙柱详图
- 25层板柱剪力墙结构高层公寓建筑结构施工图纸
- 异形柱结构和短肢剪力墙结构设计探讨
- 2层异形柱-剪力墙结构住宅楼结构CAD施工图纸
- 5层异形柱框架剪力墙结构住宅楼结构CAD图纸
- 浅谈异形柱结构与短肢剪力墙结构设计.pdf
- 剪力墙柱的构造CAD详图纸
- 异形柱框架剪力墙全套图纸.dwg
- 异形柱、剪力墙构造详图纸cad
- 异形柱框架剪力墙-底部大空间剪力墙体系结构设计说明
- 6层异形柱剪力墙结构住宅楼施工图纸
- 板柱-剪力墙结构设计(pkpm软件).pdf
- 14层纯剪力墙住宅楼结构CAD施工图纸(异形柱)
全部评论
评论网友评论仅友表达个人看法,并不表明本站同意其观点,不得发布违反法律法规的内容!
