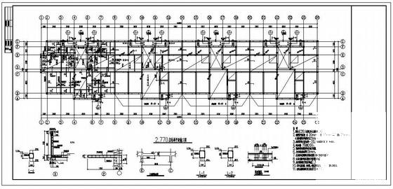
六跃7层砖混住宅楼结构设计施工图纸
- 发布时间:2021-11-23
- 评论次数:0
- 浏览次数:0
- 文件大小:0.96 MB
- 收藏次数:0
-
文件名称:
附件-995879585909890587788.rar
跃层住宅设计下载
- 地区六跃7层砖混住宅结构施工图纸.
- 5层带跃层砖混结构住宅楼结构CAD施工图纸
- 5层带跃层砖混结构住宅楼结构设计施工图纸
- 5层砖混结构坡屋顶跃层住宅楼结构设计施工图纸
- 小区六跃七住宅楼强电
- 砖混坡屋顶跃层住宅结构设计方案CAD图纸
- 多层住宅楼建筑CAD施工图纸(六层砖混结构)
- 精美的住宅楼建筑CAD施工图纸(六层砖混结构)
- 市六度砖混结构设计说明
- 六度砖混结构设计总说明
- 市六度砖混结构设计说明.dwg
- 六度砖混结构设计总说明.dwg
- 7度带地下室跃层砖混住宅楼全套建筑结构施工图纸
- 5100平6层(带跃层)砖混结构住宅楼建筑结构CAD施工图纸
- 6层砖混带跃层住宅结构CAD施工图纸
- 六层砖混结构小区住宅楼分户采暖设计cad施工图纸
- 6层住宅楼安装工程施工方案(六层砖混结构)
- 浅谈砖混结构设计
- 砖混结构设计杂谈
- 6层桩基础砖混住宅楼结构设计施工图纸
全部评论
评论网友评论仅友表达个人看法,并不表明本站同意其观点,不得发布违反法律法规的内容!
