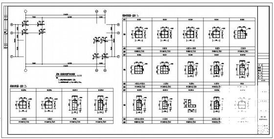
6层框架住宅楼结构设计图纸
- 发布时间:2021-12-01
- 评论次数:0
- 浏览次数:0
- 文件大小:0.74 MB
- 收藏次数:0
-
文件名称:
附件-995876950989775755508.zip
住宅框架结构设计下载
- 12层框架剪力墙住宅楼结构设计施工图纸
- 异形柱框架结构住宅楼结构设计施工图纸
- 8层框架住宅楼结构设计施工图纸
- 12层框架结构住宅楼结构设计施工图纸
- 多层框架住宅楼结构设计施工图纸(7度抗震)
- 4层框架结构住宅楼别墅结构设计施工图纸
- 9层框架结构住宅楼结构设计施工图纸
- 3层框架结构私人住宅楼结构设计施工图纸
- 3层钢框架结构住宅楼结构设计施工图纸
- 多层框架结构复式住宅楼结构设计施工图纸
- 多层框架剪力墙结构住宅楼结构设计施工图纸
- 6层框架结构住宅楼建筑、结构设计施工图纸
- 23层框架核心筒住宅楼结构设计施工图纸
- 6层框架结构私人住宅楼结构设计施工图纸
- 5层框架结构住宅楼结构设计施工图纸
- 地上11层框架住宅楼结构设计施工图纸
- 高层框架结构住宅楼结构设计施工图纸
- 11层框架住宅楼结构设计施工图纸
- 住宅楼结构设计初设图纸(框架结构,共3张)
- 9层框架结构私人住宅楼结构设计施工图纸
全部评论
评论网友评论仅友表达个人看法,并不表明本站同意其观点,不得发布违反法律法规的内容!
