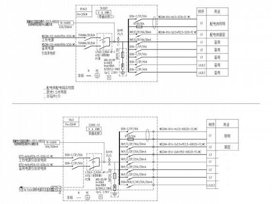
82米高层公共建筑强弱电竣工施工图纸(加压送风机排污水泵)
- 发布时间:2023-01-14
- 评论次数:0
- 浏览次数:0
- 文件大小:5.06 MB
- 收藏次数:0
-
文件名称:
附件-995855989506766565507.rar
相关下载
- 82米高层公共建筑强弱电竣工CAD施工大样图(加压送风机排污水泵)
- 排污水泵控制原理CAD图纸
- 高层电气竣工图纸.
- 污水泵站给排水竣工图纸.dwg
- 6层公共建筑强弱电电气施工图纸
- 排污泵控制原理
- 送风机油站锅炉系统设计CAD图纸
- 排烟(正压送风机)风机电路CAD图纸
- 送风机组控制原理图纸.
- 高层住宅楼加压送风系统设计施工图纸
- 高层住宅楼采暖通风排烟加压送风系统设计施工图纸
- 高层住宅加压送风系统设计CAD施工图纸
- 国外工程排污管线设计CAD施工图纸
- 多层商业街公共建筑强弱电CAD施工图纸(火灾自动报警)
- 高层给排水竣工CAD图纸(施工设计)
- 钢厂转炉浊环供水泵站给排水竣工图纸.dwg
- 多层商业街公共建筑强弱电CAD施工大样图
- 高层公共建筑空调通风系统设计施工图纸
- 高层公共建筑空调通风防排烟系统施工图纸
- 高层公共建筑空调通风设计CAD施工图纸(地源热泵系统)
全部评论
评论网友评论仅友表达个人看法,并不表明本站同意其观点,不得发布违反法律法规的内容!
