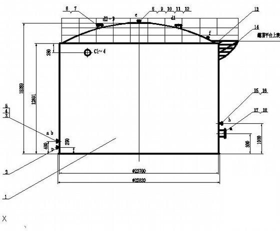
5000立方米拱顶油罐结构施工图纸
- 发布时间:2021-11-30
- 评论次数:0
- 浏览次数:0
- 文件大小:0.62 MB
- 收藏次数:0
- 
								文件名称: 附件-995878557560856807977.rar 附件-995878557560856807977.rar
								油罐施工图下载
							
						- 100立方拱顶油罐CAD施工图纸.dwg
- 工程3000m3拱顶油罐施工方案(有限公司)
- 400立方米拱顶油罐装配施工图纸及罐体施工图纸等设计施工图纸.
- 1000立方米拱顶油罐装配施工图纸及罐体施工图纸等设计施工图纸.
- 2000立方米拱顶油罐装配施工图纸及罐体施工图纸等设计施工图纸.
- 钢结构天沟结构施工CAD图纸
- 钢结构厂房结构施工CAD图纸(施工cad).dwg
- 砌体结构加气站结构CAD施工图纸(罩棚钢结构网架结构)
- 砌体结构加气站结构CAD施工图纸(罩棚钢结构网架结构)
- 医院结构施工CAD图纸
- 别墅结构施工CAD图纸
- 网架结构施工图纸.
- 泵站结构施工图纸.
- 酒窖结构施工图纸.
- 平台结构施工图纸.
- 钢结构电子显示屏结构施工图纸
- 钢结构古建会所结构施工图纸
- 大型钢结构厂房结构施工图纸
- 钢结构屋顶钟楼结构施工图纸
- 酒楼楼顶钢结构钟楼结构施工图纸
全部评论
						
							评论网友评论仅友表达个人看法,并不表明本站同意其观点,不得发布违反法律法规的内容!
						
						
 
	              	 
	              	 
	              	