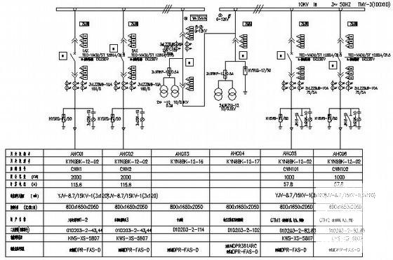
超高层商业综合楼变配电系统CAD图纸
- 发布时间:2022-12-20
- 评论次数:0
- 浏览次数:0
- 文件大小:3.26 MB
- 收藏次数:0
- 
								文件名称: 附件-995856695587697807507.rar 附件-995856695587697807507.rar
								相关下载
							
						- 148米超高层商业综合楼电气施工CAD图纸108张(变配电工程)
- 27层大型商业综合楼电气CAD施工图纸105张(供配电系统设计)(TN-S)(10kv变配电系统)
- 41层商业综合楼电气CAD施工图纸108张(变配电工程)(火灾自动报警)
- 超高层商业建筑空调通风及防排烟系统设计施工图纸
- 超高层商业大厦给排水CAD施工图纸(喷淋系统)
- 9层医护综合楼变配电所设计
- 超高层综合楼空调通风系统设计施工图纸
- 超高层综合楼空调及通风系统设计施工大样图
- 超高层商业综合楼空调通风及防排烟系统设计施工图纸(人防设计).dwg
- 9层综合性商业楼强、弱电CAD施工图纸(10kv变配电系统)
- 超高层(41层)综合楼消防图纸
- 国际物流超高层商业办公建筑方案
- 超高层办公、人才公寓、商业建筑.pdf
- 冷轧车间电气CAD施工图纸(变配电系统)
- 箱变配电系统全套设计CAD图纸
- 箱变配电系统全套设计CAD图纸
- 大型工业项目强电系统电气施工CAD图纸(完整变配电系统)(柴油发电机房)(TN-S)(10kv变配电系统)
- 超高层商业办公暖通空调全系统施工CAD图纸(地下5层地上41层)
- 超高层商业住宅小区暖通系统设计施工图纸(34万平米89张).dwg
- 27层大型商业办公综合建筑电气施工CAD图纸105张(火灾自动报警系统)(TN-S)(10kv变配电系统)
全部评论
						
							评论网友评论仅友表达个人看法,并不表明本站同意其观点,不得发布违反法律法规的内容!
						
						
 
	              	 
	              	