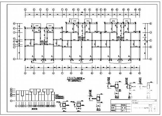
7层底框上部砌体住宅楼结构设计方案CAD图纸
- 发布时间:2022-11-20
- 评论次数:0
- 浏览次数:0
- 文件大小:2.54 MB
- 收藏次数:0
- 
								文件名称: 附件-995876990097957579655.rar 附件-995876990097957579655.rar
								相关下载
							
						- 底部1层上部6层底框砌体住宅结构CAD施工图纸
- 6层底框砌体住宅结构设计方案CAD施工图纸
- 6层底框砌体结构住宅楼结构CAD施工方案图纸
- 底部1层上部6层底框砌体住宅楼结构CAD施工图纸(平面布置图)
- 住宅6层底框砌体结施CAD图纸
- 底框砌体住宅结构设计方案CAD图纸(平面布置图)
- 底框结构住宅楼结构CAD图纸
- 6层底部框剪上部砌体结构住宅楼建筑结构CAD施工大样图
- 底框结构6层住宅楼结构设计方案CAD施工图纸
- 6层底框结构办公楼结构设计方案CAD图纸
- 7层底框住宅楼结构CAD施工图纸(砌体结构)
- 复杂的底框结构CAD图纸
- 底框结构CAD施工图纸
- 底框结构构造大样CAD图纸
- 公共租赁房底框结构设计方案CAD施工图纸
- 7层底框抗震墙结构设计方案CAD施工图纸
- 底框结构花园住宅毕业设计方案(部分建筑CAD图纸)
- 底框商住楼结构
- 5层底框结构砖混结构住宅楼结构施工图纸
- 7层底部框架上部砖砌体住宅楼结构CAD施工图纸
全部评论
						
							评论网友评论仅友表达个人看法,并不表明本站同意其观点,不得发布违反法律法规的内容!
						
						
 
	              	 
	              	 
	              	