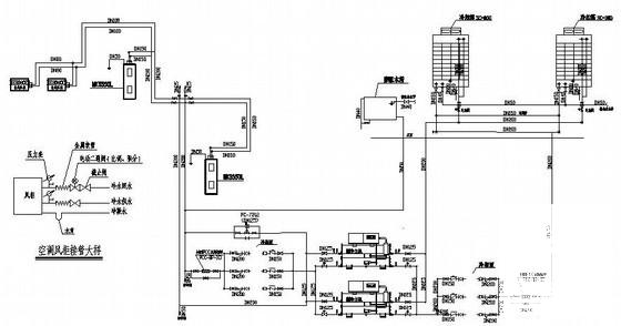
3层中学体育馆多联机空调工程设计CAD施工图纸(通风设备)
- 发布时间:2022-11-16
- 评论次数:0
- 浏览次数:0
- 文件大小:9.57 MB
- 收藏次数:0
- 
								文件名称: 附件-995858789865565508558.rar 附件-995858789865565508558.rar
								相关下载
							
						- 3层中学体育馆多联机空调工程设计CAD施工图纸
- 3层中学体育馆多联机空调CAD施工图纸
- 别墅多联机空调平面CAD图纸
- 厂房多联机全套空调CAD图纸
- 剧院多联机空调系统设计
- 多联机空调系统设计施工图纸
- 多联机空调系统设计CAD施工图纸
- 别墅多联机空调CAD施工图纸
- 办公楼多联机中央空调全套图纸
- 5层医院急诊楼多联机空调图纸
- 多联机空调系统分户计量布线CAD图纸
- 2层别墅多联机空调平面CAD图纸
- 厂房多联机全套空调设计CAD图纸.dwg
- 银行商用VRV多联机空调CAD图纸
- 多联机安装节点CAD详图纸
- 多套小型别墅建筑暖通空调系统设计CAD施工图纸(风冷模块多联机系统)
- 4层办公楼变频多联机空调系统设计施工图纸
- 22000平米11层后勤服务楼多联机空调系统设计施工图纸
- 15层综合医疗大楼多联机空调系统施工图纸
- 595平方米2层茶楼多联机空调系统设计施工图纸
全部评论
						
							评论网友评论仅友表达个人看法,并不表明本站同意其观点,不得发布违反法律法规的内容!
						
						
 
	              	 
	              	 
	              	 
	              	