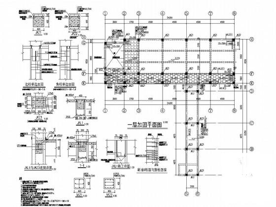
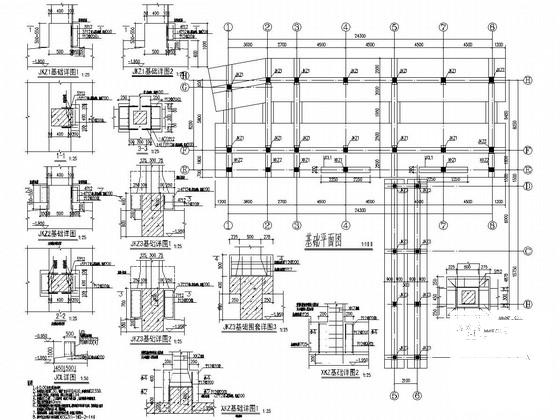
5层框架结构教学楼结构改造加固CAD施工图纸
- 发布时间:2022-11-13
- 评论次数:0
- 浏览次数:0
- 文件大小:0.3 MB
- 收藏次数:0
-
文件名称:
附件-995877775687586078768.rar
相关下载
- 4层教学楼加固改造施工图纸
- 框架结构加固改造设计说明
- 教学楼加固设计说明(框架结构)
- 教学楼加层改造加固结构CAD施工图纸
- 小学教学楼加固改造结构CAD施工图纸(平面布置图)
- 教学楼隔震加固改造结构CAD施工图纸(基础平面图)
- 5层砖混结构小学教学楼加固改造CAD施工图纸
- 加固改造图纸和加固结构说明,各层结构改造示意图
- 框架结构新增扶梯改造加固结构CAD施工图纸(混凝土)
- 两层框架结构别墅结构加固改造CAD施工方案图纸
- 单层框架结构城市广场改造加固结构CAD施工方案图纸
- 教学楼改造加固结构设计说明
- 小学教学楼加固改造工程结构设计说明
- 教学楼改造加固结构设计说明.dwg
- 小学教学楼加固改造工程结构设计说明.dwg
- 地上3层框架结构教学楼结构加固CAD施工图纸
- 地上3层框架结构教学楼结构加固CAD施工图纸
- 4层砖混教学楼加固改造设计CAD施工图纸
- 框架结构商场营业楼加固改造施工图纸
- 校室及宿舍楼框架结构加固改造CAD施工图纸2016
全部评论
评论网友评论仅友表达个人看法,并不表明本站同意其观点,不得发布违反法律法规的内容!
