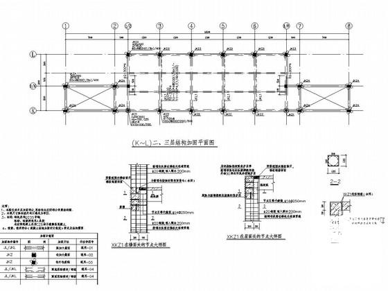
地上3层框架结构教学楼结构加固CAD施工图纸
- 发布时间:2022-11-13
- 评论次数:0
- 浏览次数:0
- 文件大小:1.01 MB
- 收藏次数:0
-
文件名称:
附件-995877777668676778878.zip
相关下载
- 地上3层框架结构教学楼结构加固CAD施工图纸
- 教学楼加固设计说明(框架结构)
- 5层框架结构教学楼结构改造加固CAD施工图纸
- 地上3层框架结构小学教学楼结构施工图纸
- 地上4层框架结构教学楼结构施工图纸
- 地上4层框架结构教学楼结构设计施工图纸
- 地上5层框架结构教学楼结构施工图纸
- 多栋地上4层框架结构教学楼结构施工图纸
- 地上6层现浇框架结构教学楼结构CAD施工方案图纸
- 地上5层框架结构教学楼结构CAD施工图纸(计算书)
- 地上4层框架结构教学楼结构CAD施工图纸
- 地上4层框架结构教学楼结构CAD施工图纸
- 地上4层框架结构高中教学楼结构CAD施工图纸
- 地上5层框架结构小学教学楼结构CAD施工图纸.dwg
- 地上3层框架结构教学楼结构施工大样图
- 地上4层框架结构教学楼结构施工大样图
- 地上5层框架结构教学楼结构施工大样图
- 地上3层框架结构教学楼结构CAD施工大样图
- 地上3层框架结构教学楼结构CAD施工大样图
- 5层框架结构中学教学楼加固工程建筑CAD施工图纸
全部评论
评论网友评论仅友表达个人看法,并不表明本站同意其观点,不得发布违反法律法规的内容!
