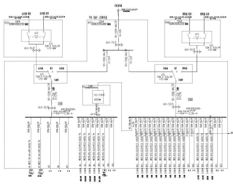
单层业务处理电气CAD施工图纸(一号楼)
- 发布时间:2022-11-12
- 评论次数:0
- 浏览次数:0
- 文件大小:5.93 MB
- 收藏次数:0
-
文件名称:
附件-995855507585569978696.zip
相关下载
- 业务处理一号楼给排水CAD施工图纸
- 交行数据处理中心业务处理一号楼暖通施工图纸.dwg
- 工程综合业务楼电气施工CAD图纸
- 工程综合业务楼电气施工全套CAD图纸
- 业务处理三号楼及后勤服务中心消防系统施工图纸
- 业务处理三号楼及后勤服务中心暖通施工图
- 2层机场业务用房电气施工图纸(2018)
- 一号游泳池水处理系统工程CAD施工图纸()
- 运河一号桥CAD图纸
- 9层医院业务综合楼电气设计CAD施工图纸
- 单层污水处理厂电气CAD施工图纸(二级负荷)
- 一号住宅楼建筑CAD施工图纸
- 单层钢结构化工厂污水处理电气设计CAD图纸
- 小型单层商业楼电气施工图纸
- 单层办公楼电气CAD施工图纸
- 业务用房水电CAD图纸
- 12层业务楼建筑CAD图纸
- 5层商厦业务楼空调CAD图纸
- 国税综合业务楼结构设计.pdf
- 规划设计业务总流程
全部评论
评论网友评论仅友表达个人看法,并不表明本站同意其观点,不得发布违反法律法规的内容!
