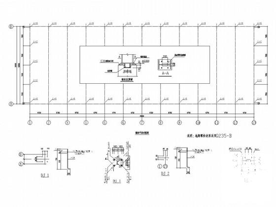
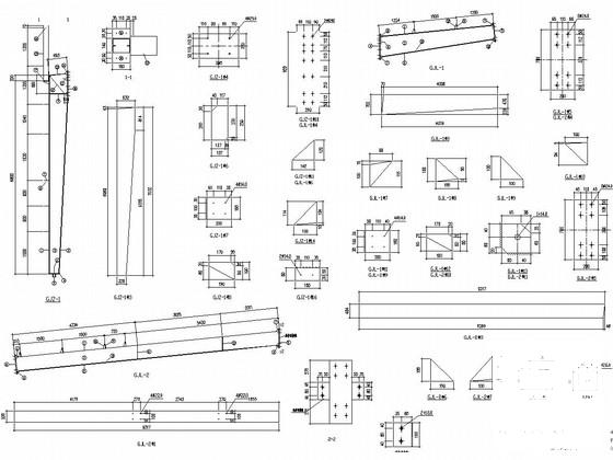
单层门式刚架带天窗结构图纸(平面布置图)
- 发布时间:2022-11-04
- 评论次数:0
- 浏览次数:0
- 文件大小:1.08 MB
- 收藏次数:0
- 
								文件名称: 附件-995878098897565098877.rar 附件-995878098897565098877.rar
								相关下载
							
						- 单层门式刚架带天窗结构CAD施工图纸
- 单层门式刚架结构办公楼结构CAD施工图纸(门式刚架)(基础平面布置)
- 单层带吊车钢结构厂房结构CAD施工图纸(门式刚架)(平面布置图)
- 单层门式刚架轻钢结构厂房结构CAD施工图纸(天然地基)(平面布置图)
- 单层门式刚架结构体系厂房结构CAD图纸
- 单层门式刚架结构油田厂房结构CAD图纸
- 单层框架-门式刚架结构食堂结施施工图纸平面布置图
- 单层门式刚架厂房结构设计CAD图纸(7度抗震)(平面布置图)
- 跨度18米单层门式刚架厂房结构设计CAD图纸(平面布置图)
- 跨度21米单层门式刚架工业厂房结构竣工图纸(平面布置图)
- 单层物流仓库门式刚架结构CAD施工图纸(独立基础)(平面布置图)
- 单层门式刚架结构工业厂房节点详图纸
- 门式刚架结构单层厂房建筑施工图纸
- 单层门式刚架厂房结构CAD施工图纸
- 单层门式刚架厂房结构CAD施工图纸
- 单层门式刚架仓库结构CAD施工图纸
- 单层门式刚架钢结构厂房转换图
- 单层门式刚架结构药品仓库结施2017
- 单层门式刚架结构物流仓库结施2017
- 单层钢结构门式刚架厂房(21米跨)
全部评论
						
							评论网友评论仅友表达个人看法,并不表明本站同意其观点,不得发布违反法律法规的内容!
						
						
 
	              	 
	              	 
	              	