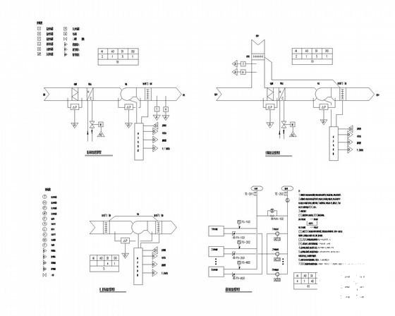
知名大学7层图文信息中心电气CAD施工图纸
- 发布时间:2022-10-29
- 评论次数:0
- 浏览次数:0
- 文件大小:2.38 MB
- 收藏次数:0
-
文件名称:
附件-995856705075779705885.rar
相关下载
- 7层知名大学图文信息中心电气CAD施工图纸
- 知名大学图文信息中心电气CAD施工图纸(7层)
- 大学图纸书信息中心电气初步设计
- 5层学校图文信息中心暖通设计CAD图纸(风冷热泵机组)
- 大学图纸文信息中心(设计方案)
- 知名大学材料学院电气CAD施工图纸
- 9层大学图纸书馆、信息中心楼建筑结构施工CAD图纸
- 8层大学图纸书馆电气全套CAD施工图纸(知名设计院)
- 5层知名大学实验楼电气设计CAD施工图纸
- 5层知名大学教学楼电气CAD施工图纸
- 知名大学电气设计CAD施工图纸(系统图及计算书)
- 知名大学6层教学楼电气CAD施工图纸(二级负荷)
- 知名大学12层教学楼电气CAD施工图纸(自动报警系统图)
- 5层知名大学实验楼电气CAD施工图纸(TN-C-S)
- 知名大学全套电气CAD施工图纸(系统图及计算书)
- 15236平米9层大学施工图纸书信息中心空调通风施工图纸
- 2层知名大学体育场电气初设初设图纸
- 5层电视大学、广播专业学校新区信息中心建筑施工图纸
- 电视大学、广播专业学校新区信息中心建筑施工CAD图纸(工程结构)
- 国防人才就业信息中心信息中心多媒体弱电CAD图纸
全部评论
评论网友评论仅友表达个人看法,并不表明本站同意其观点,不得发布违反法律法规的内容!
