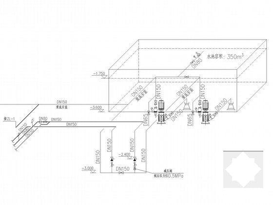
10层综合办公楼给排水CAD施工图纸
- 发布时间:2022-10-18
- 评论次数:0
- 浏览次数:0
- 文件大小:3.89 MB
- 收藏次数:0
- 
								文件名称: 附件-995860859957879656755.rar 附件-995860859957879656755.rar
								相关下载
							
						- 6层综合办公楼给排水图纸
- 污水厂综合办公楼给排水图纸
- 综合办公楼给排水成套图纸.
- 10层综合办公楼给排水设计
- 2层办公楼建筑给排水CAD图纸(办公楼、综合仓库)
- 部队6层综合办公楼给排水施工图纸
- 4层综合办公楼给排水CAD施工图纸(大院作品)
- 6层综合办公楼给排水CAD施工图纸(热水系统)
- 15层综合办公楼给排水CAD施工图纸
- 6层综合办公楼建筑给排水CAD施工图纸
- 6层综合办公楼给排水设计CAD施工图纸
- 11层综合办公楼给排水CAD施工图纸
- 4层综合办公楼给排水CAD施工图纸
- 公路收费站综合办公楼图纸(总)(给排水施工图)
- 3层精品村综合办公楼给排水CAD施工方案图纸
- 11层综合办公楼给排水CAD施工方案图纸
- 综合办公楼给排水、采暖CAD施工方案图纸
- 高层综合办公楼给排水及消防CAD施工图纸
- 部队6层综合办公楼给排水设计施工图纸.dwg
- 15层综合办公楼给排水CAD施工图纸.dwg
全部评论
						
							评论网友评论仅友表达个人看法,并不表明本站同意其观点,不得发布违反法律法规的内容!
						
						
 
	              	 
	              	 
	              	 
	              	 
	              	