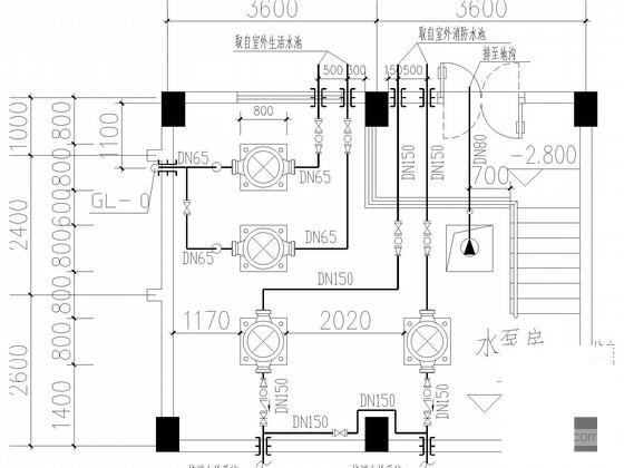
7层检察院办公楼给排水及消防设计CAD施工图纸
- 发布时间:2022-10-07
- 评论次数:0
- 浏览次数:0
- 文件大小:0.77 MB
- 收藏次数:0
-
文件名称:
附件-995859887788768588578.rar
相关下载
- 办公楼、商场给排水及消防图纸.dwg
- 检察院的强电及消防CAD施工图纸
- 多层办公楼给排水及消防设计CAD施工图纸(自动喷淋)
- 办公楼室内给排水及消防CAD图纸(施工方案图设计)
- 常熟4层办公楼给排水及消防设计CAD图纸
- 多层办公楼给排水及消防设计CAD图纸
- 办公楼给排水及消防设计图纸.dwg
- 检察院综合业务楼给排水消防CAD施工图纸(卫生间大样图)
- 检察院办公楼电气CAD图纸
- 检察院办公楼电气CAD图纸
- 6层沿街办公楼采暖给排水及消防CAD施工图纸
- 高层办公楼给排水及消防CAD施工图纸(雨水系统)
- 3层厂房办公楼给排水及消防CAD施工图纸
- 23层办公楼给排水及消防CAD施工图纸
- 17层调度中心办公楼给排水及消防CAD施工图纸
- 高层综合办公楼给排水及消防CAD施工图纸
- 6层厂房及办公楼给排水及消防设计图纸(卫生间大样图)
- 高层酒店给排水及消防图纸
- 酒店给排水及消防图纸.dwg
- 12层办公楼给排水及消防全套CAD施工大样图
全部评论
评论网友评论仅友表达个人看法,并不表明本站同意其观点,不得发布违反法律法规的内容!
