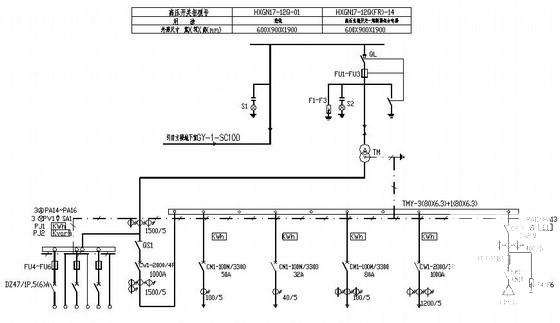
地上6层酒店室外景观电气CAD施工图纸
- 发布时间:2022-10-06
- 评论次数:0
- 浏览次数:0
- 文件大小:3.2 MB
- 收藏次数:0
-
文件名称:
附件-995856797658009889589.rar
相关下载
- 6层酒店室外景观电气施工图纸
- 星级酒店室外景观CAD施工图纸全套
- 温泉度假区室外景观电气施工CAD图纸
- 餐饮娱乐中心室外景观电气图纸
- 酒店室外环境景观设计CAD施工图纸(绿化种植图)
- 酒店室外环境景观设计施工CAD图纸
- 酒店景观照明电气CAD施工图纸.dwg
- 室外舞台景观CAD详图纸
- 配套景观工程室外照明CAD图纸
- 室外门房及室外景观、布线、广播施工图纸
- 著名写字楼室外景观施工图纸
- 研发大楼室外园林景观施工图纸.dwg
- 2层劳教所接待中心电气装修CAD图纸(室外景观照明)
- 厂区室外电气施工图纸
- 14486平米地上5层酒店电气施工图纸
- 9844平米地上7层公寓式酒店电气施工图纸
- 地上13层酒店电气CAD施工图纸(一类高层)
- 地上10层酒店电气CAD施工图纸(二级负荷)
- 地上18层星级酒店电气CAD施工图纸(裙房)(火灾自动报警)
- 地上24层酒店通讯中心机房强弱电电气CAD施工图纸
全部评论
评论网友评论仅友表达个人看法,并不表明本站同意其观点,不得发布违反法律法规的内容!
