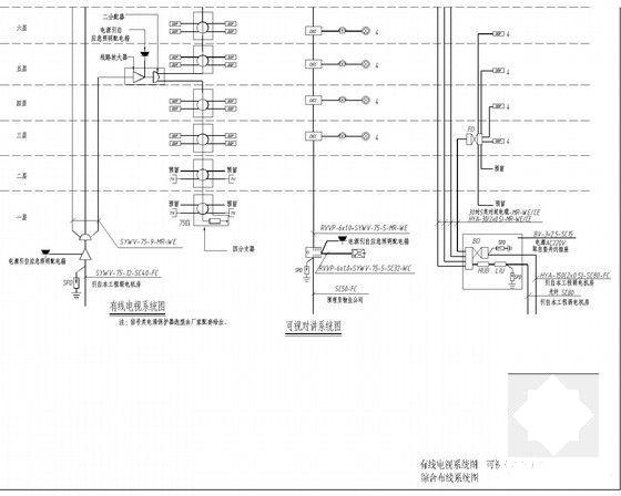
23层商住楼强弱电CAD施工图纸(一类高层)
- 发布时间:2022-10-03
- 评论次数:0
- 浏览次数:0
- 文件大小:2.91 MB
- 收藏次数:0
-
文件名称:
附件-995856078685690880789.rar
相关下载
- 一类高层商住楼强弱电CAD施工图纸30张
- 一类高层综合商住楼强弱电系统电气CAD施工图纸
- 一类高层综合商住楼强弱电系统电气CAD施工图纸(TN-S)
- 高层商住楼强弱电设计
- 一类高层商业楼强弱电CAD施工图纸(人防)
- 一类高层小区强弱电CAD施工图纸
- 一类高层小区强弱电CAD施工图纸(火灾自动报警)()
- 一类高层商业楼强弱电CAD施工图纸
- 一类高层酒店强弱电CAD施工图纸(酒店商铺办公)
- 一类高层住宅强弱电CAD施工图纸
- 一类高层商住楼给排水消防设计CAD施工方案图纸
- 一类高层商住楼给排水消防设计CAD施工图纸
- 一类高层商住楼电气CAD施工图纸
- 一类高层商住楼给排水CAD施工图纸
- 一类高层商住楼电气CAD施工图纸
- 一类高层商住楼电气CAD施工图纸
- 一类高层综合性商住楼电气CAD施工图纸
- 一类高层大型综合商住楼电气CAD施工图纸
- 一类高层商住楼电气CAD施工图纸()
- 两栋一类高层商住楼强弱电系统CAD施工图纸70张(火灾自动报警)
全部评论
评论网友评论仅友表达个人看法,并不表明本站同意其观点,不得发布违反法律法规的内容!
