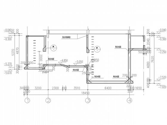
雨水泵站工程泵房框架结构CAD施工图纸(平面布置图)
- 发布时间:2022-09-22
- 评论次数:0
- 浏览次数:0
- 文件大小:0.36 MB
- 收藏次数:0
- 
								文件名称: 附件-995876759688086009070.zip 附件-995876759688086009070.zip
								相关下载
							
						- 雨水泵站泵房框架结构施工大样图
- 雨水泵站-泵房框架结构CAD施工大样图
- 雨水泵站工程施工图纸(出水口泵房)
- 市政道路雨水泵站设计施工图纸平面图及泵房剖面图
- 师范学院给水加压泵站设计cad图纸和泵房平面布置图
- 泵站工程泵房初步设计施工图纸
- 雨水泵站挡墙+双排深层搅拌桩工程
- 雨水泵站CAD施工图纸
- 雨水泵站电气CAD图纸
- 雨水泵站全套CAD施工图纸
- 江宁雨水泵站CAD施工图纸
- 港外高桥港区四期雨水泵站工程CAD施工图纸.dwg
- 雨水泵站及污水提升泵站图纸(招标控制价).dwg
- 泵站水厂泵房设计CAD施工图纸
- 雨水泵房电气CAD施工图纸
- 雨水泵房设计CAD施工图纸.dwg
- 1.5m泵站新建工程CAD施工方案图纸(总平面布置图)
- 干排泵站图纸(泵房图、剖面图).dwg
- 干排泵站CAD图纸(泵房图剖面图)
- 苏丹Multaga泵站工程主泵房结构设计.pdf
全部评论
						
							评论网友评论仅友表达个人看法,并不表明本站同意其观点,不得发布违反法律法规的内容!
						
						
 
	              	 
	              	 
	              	 
	              	 
	              	