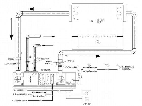
室内恒温游泳馆除湿空调及地暖采暖系统设计施工图纸
- 发布时间:2021-11-27
- 评论次数:0
- 浏览次数:0
- 文件大小:1.43 MB
- 收藏次数:0
-
文件名称:
附件-995858898879659060905.rar
室内游泳馆设计施工下载
- 中学室内温水游泳馆两层结构CAD施工图纸
- 室内游泳馆给排水CAD施工大样图
- 两层框架结构中学室内温水游泳馆结构CAD施工图纸(型钢混凝土梁)
- 3层石漆外墙室内游泳馆建筑施工CAD图纸(能耗计算书).dwg
- 游泳馆给排水CAD图纸(设计施工)
- 游泳馆钢架设计CAD施工图纸
- 游泳馆空调系统设计CAD施工图纸
- 游泳馆建筑施工CAD图纸
- 室内给排水设计施工通用说明
- 游泳馆钢结构及玻璃幕墙设计
- 游泳馆中央空调设计CAD图纸
- 游泳馆建筑设计方案.dwg
- 游泳馆给排水图纸
- 游泳馆网架工程CAD图纸
- 青少年体育中心3层体育综合训练馆建筑扩初CAD图纸(室内游泳馆)
- 奥体游泳馆建筑CAD施工图纸
- 游泳馆电气CAD施工图纸
- 游泳馆电气CAD施工图纸
- 3层游泳馆暖通CAD施工图纸
- 大学游泳馆给排水CAD施工图纸
全部评论
评论网友评论仅友表达个人看法,并不表明本站同意其观点,不得发布违反法律法规的内容!
