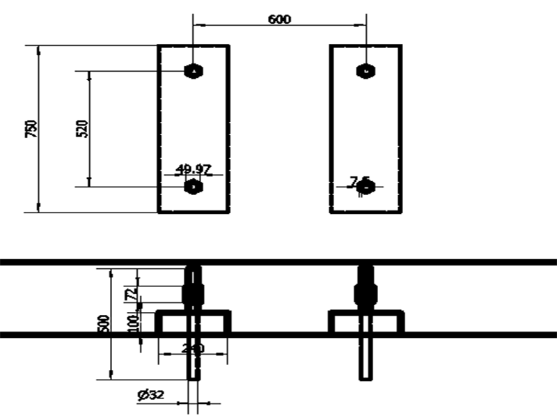
预制梁台座张拉端升降式底模CAD图纸
- 发布时间:2022-05-30
- 评论次数:0
- 浏览次数:0
- 文件大小:1.09 MB
- 收藏次数:0
-
文件名称:
附件-996795557579855960.rar
相关下载
- 桥梁先张拉台座纵断面CAD图纸
- T梁预制台座纵断面图纸.dwg
- 后张法40mT梁预制台座设计祥图纸
- 先张法预应力钢筋混凝土梁预制台座施工设计方案
- 铁路预制箱梁、制梁台座基础设计CAD图纸
- 一套铁路预制箱梁、制梁台座基础设计CAD图纸
- 预制箱梁顶板负弯矩张拉及压浆专项施工方案
- 30m预制T梁预应力张拉施工方案
- 高速公路工程桥梁箱梁预制施工方案(预应力张拉)
- 50m箱梁预制台座及模板布置CAD详图纸
- 长江大桥箱梁底模CAD图纸
- 独塔斜拉桥主塔拉索张拉端槽口及锚下钢筋布置CAD图纸
- 厂房预制柱梁详图纸,共5张图纸.
- 制梁场T梁横向张拉、湿接缝施工方案
- 30m预应力混凝土连续T梁支座墩墩顶预制梁梁端钢筋布置节点CAD详图纸设计
- 30m预应力混凝土连续T梁固结墩墩顶预制梁梁端钢筋布置节点CAD详图纸设计
- 预制场设计图纸(箱梁预制).dwg
- 挂篮悬灌现浇箱梁步骤示意CAD图纸(预应力张拉)
- 张拉膜施工CAD详图纸
- 张拉膜设计CAD图纸
全部评论
评论网友评论仅友表达个人看法,并不表明本站同意其观点,不得发布违反法律法规的内容!
