50张常见钢结构节点详图纸方管柱,截面柱等

50张常见钢结构节点详图(78种类型)
H型钢与相同截面的悬臂杆连接
H型钢在横梁伸臂上的连接
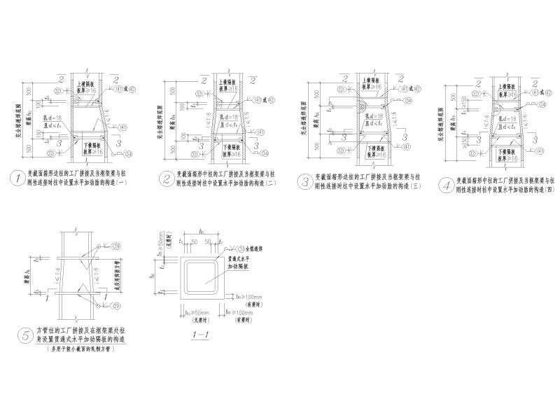
方管柱节点详图
钢筋混凝土剪力墙与钢骨混凝土梁的连接构造
钢梁与混凝土墙的铰接连接
工字钢结柱脚节点
交叉支撑在横梁交叉点处的连接
截面柱的刚性连接
仅将梁腹板与焊于柱翼缘上的连接板
框架梁与柱 相连时,在节点中连接件的选用一览表
以下是附件的其中一部分截图,共11张,您也可以 搜索 更多您想要的资源
  • 钢结构节点详图 - 1
    钢结构节点详图 - 1
  • 钢结构节点详图 - 2
    钢结构节点详图 - 2
  • 钢结构节点详图 - 3
    钢结构节点详图 - 3
  • 钢结构节点详图 - 4
    钢结构节点详图 - 4
  • 钢结构节点详图 - 5
    钢结构节点详图 - 5
  • 钢结构节点详图 - 6
    钢结构节点详图 - 6
  • 钢结构节点详图 - 7
    钢结构节点详图 - 7
  • 钢结构节点详图 - 8
    钢结构节点详图 - 8
  • 钢结构节点详图 - 9
    钢结构节点详图 - 9
  • 钢结构节点详图 - 10
    钢结构节点详图 - 10
  • 钢结构节点详图 - 11
    钢结构节点详图 - 11
以上是部分截图,请下载附件后查看完整高清内容
网站首页  | 
本站所有内容均由网友自主分享,仅供学习和参考,如有侵权内容或者违法行为,请及时联系站长删除。