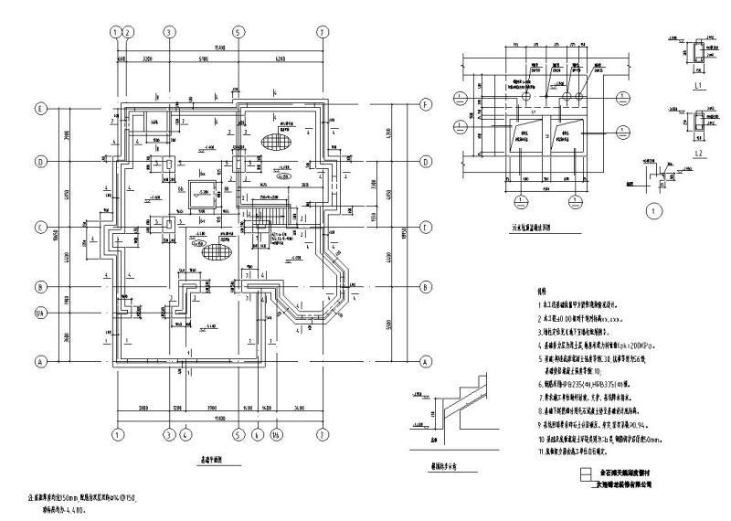
金石滩旅游度假3层别墅结构施工方案图纸
- 发布时间:2021-12-09
- 评论次数:0
- 浏览次数:0
- 文件大小:1.84 MB
- 收藏次数:0
-
文件名称:
附件-996088905770757888.dwg
别墅结构施工图纸下载
- 3层异形柱框架结构旅游度假村别墅结构施工图纸
- 天星旅游度假小镇规划方案文本
- 4层旅游度假区游客中心混凝土结构施工方案图纸
- 旅游度假别墅绿色区景观工程施工图纸全套
- 旅游度假村3层别墅建筑施工CAD图纸
- 4层旅游度假园区住宅混凝土结构施工方案大样图
- 旅游度假中心主体结构监理实施细则
- 旅游度假小镇给排水施工图纸cad
- 旅游区宾馆建筑方案设计cad图纸_度假酒店方案设计
- 旅游度假中心基础施工监理实施细则
- 度假别墅结构CAD图纸
- 旅游度假中心土建监理实施细则
- 旅游度假中心建筑节能工程监理细则
- 旅游度假区核心小区详细规划cad
- 潘龙湖国际旅游度假区概念规划设计方案文本.pdf
- 生态化主题旅游度假区规划设计方案文本(高端低碳)
- 大型温泉养生旅游度假区设计方案文本(星级酒店设计)
- 温泉旅游度假村区景观设计方案.pdf
- 3层旅游景区度假村酒店建筑设计方案文本
- 旅游城温泉度假村水上乐园海浪池结构CAD施工图纸
全部评论
评论网友评论仅友表达个人看法,并不表明本站同意其观点,不得发布违反法律法规的内容!
