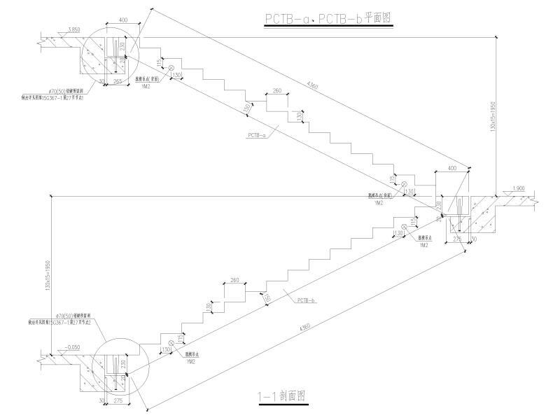
预制板及楼梯典型构件大样2018
- 发布时间:2021-12-09
- 评论次数:0
- 浏览次数:0
- 文件大小:1.22 MB
- 收藏次数:0
-
文件名称:
附件-996068098577556955.dwg
相关下载
- 预制梁柱及外挂板典型构件图纸2018
- 楼梯平法表示及大样2018
- 装配式预制构件大样图纸2018
- 铝单板檐口构件节点图纸2018
- 楼梯大样及楼梯表
- 楼梯大样及楼梯表
- 砌体大样及构造详图纸2018
- 钢结构楼梯详图纸2018
- 预制楼梯深化设计说明2018
- 钢排架节点连接详图纸及构件大样2017
- 楼板钢筋构造及坡屋面构造大样2018
- 集水井及底板大样图纸2018
- 灌注桩承台大样及图纸表2018
- 板式楼梯构件通用配筋表大全
- 钢结构踏步楼梯结构CAD施工大样图2018.dwg
- 体育馆楼梯结构详图纸2018
- 预制楼梯结构施工方案图纸2018
- 古亭构件大样CAD图纸
- 厂房构件布置及CAD详图纸
- C型钢檩条构件大样(6张)
全部评论
评论网友评论仅友表达个人看法,并不表明本站同意其观点,不得发布违反法律法规的内容!
