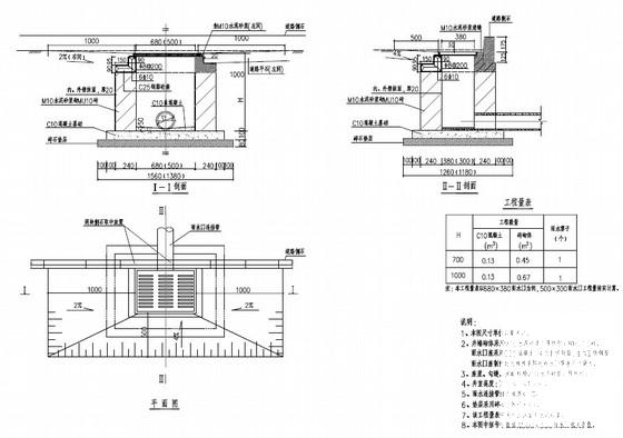
沥青混凝土路面修复及排水管网改造工程图纸37张
- 发布时间:2023-12-28
- 评论次数:0
- 浏览次数:0
- 文件大小:6.9 MB
- 收藏次数:0
- 
								文件名称: 附件-995798587898599659.rar 附件-995798587898599659.rar
								相关下载
							
						- 路面修复及路下排水管网改造工程_道路平面设计图和地下管线标准横断面图
- 室外管网消火栓定点改造工程图纸.dwg
- 城市道路改造工程沥青混凝土路面施工方案
- 沥青路面和旧水泥混凝土路面碎石化改造cad图纸和总设计说明
- 沥青混凝土路面与水泥混凝土路面相接处理节点构造详图纸
- 公路工程沥青混凝土路面施工方案
- 沥青路面做法详细设计CAD图纸(沥青混凝土)
- 疏港道路沥青铺面及混凝土大板路面CAD施工方案图纸设计
- 道路加铺沥青混凝土结构路面病害处治及搭接设计CAD图纸
- 新建沥青混凝土路面排水检查井加固CAD详图纸
- 沥青路面与水泥混凝土路面接头大样
- 沥青路面CAD详图纸
- 旧水泥混凝土路面加铺沥青混凝土结构设计
- 水泥混凝土路面灌浆及加罩改造CAD图纸(路面加宽检查井提升)
- 路面拆除修复施工方案(污水管线)
- 沥青混凝土路面厂区道路设计套CAD大样图(44张排水圆管涵)
- 水稳碎石基层改性乳化沥青路面结构设计及连续配筋混凝土路面设计CAD图纸
- 硕士高速公路沥青混凝土路面施工组织优化设计2006
- 公路一级沥青混凝土路面施工方案
- 高速公路工程沥青混凝土路面施工方案(2010)
全部评论
						
							评论网友评论仅友表达个人看法,并不表明本站同意其观点,不得发布违反法律法规的内容!
						
						
 
	              	 
	              	 
	              	 
	              	 
	              	