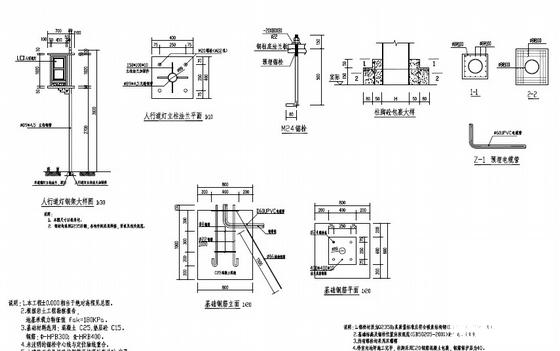
城市道路改造工程交通设施图纸31张
- 发布时间:2023-12-28
- 评论次数:0
- 浏览次数:0
- 文件大小:4.73 MB
- 收藏次数:0
-
文件名称:
附件-995798588989757985.rar
相关下载
- 村级公路改造工程交通设施CAD施工图纸设计.dwg
- 村级公路改造工程交通设施施工图设计
- 城市道路绿化改造工程全套CAD施工图(27页图纸).dwg
- 城市道路改造工程地下管网施工方案
- 城市道路改造工程沥青砼面层专项施工方案
- 城市道路改造工程沥青混凝土路面施工方案
- 城市道路改造工程交通疏导施工方案(迁移)
- 城市道路改造工程土方开挖施工方案
- 城市道路改造设计CAD图纸
- 城市道路改造设计CAD图纸
- 城市道路绿化改造工程全套施工图纸标准段剖面图
- 城镇道路改建工程交通设施CAD施工图纸设计13张
- 地下停车场交通设施工程设计CAD图纸
- 城市主干道交通设施及照明工程施工图纸设计cad
- 城镇道路改建工程交通设施CAD施工图纸设计.dwg
- 道路施工损坏维修工程施工图纸设计45张(交通设施).
- 城市道路景观提质改造设计CAD施工图纸(32张).dwg
- 中学电气改造工程
- 厂房框架改造工程
- 旧村改造规划设计总CAD平面图(城市道路)
全部评论
评论网友评论仅友表达个人看法,并不表明本站同意其观点,不得发布违反法律法规的内容!
