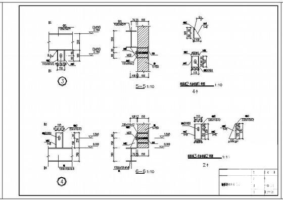
钢框架墙板连接节点构造CAD详图纸
- 发布时间:2023-12-28
- 评论次数:0
- 浏览次数:0
- 文件大小:1.21 MB
- 收藏次数:0
-
文件名称:
附件-995798805888599780.zip
相关下载
- 钢框架墙板连接节点构造详细设计CAD图纸
- 钢框架梁柱连接节点构造CAD详图纸
- 钢框架梁柱连接节点构造CAD详图纸
- 钢框架连接节点构造CAD详图纸
- 顶板、底板、楼板与墙板的连接节点构造详图纸cad
- 墙板系统节点构造CAD详图纸
- 墙板系统节点构造CAD详图纸
- 钢框架钢梁与钢柱连接节点构造CAD详图纸
- 管道钢支架节点构造CAD详施工图纸
- 内藏钢支撑剪力墙的混凝土墙板构造节点CAD详图纸
- 内藏钢支撑剪力墙的混凝土墙板节点构造详图纸cad
- 人字形钢支撑连接节点构造CAD详图纸
- 室外新增钢框架楼梯平法节点构造CAD详大样图
- 钢框架梁梁连接节点造CAD详图纸
- 钢框架梁柱连接节点构件CAD详图纸
- 民用钢框架耗能支撑连接形式及主次梁连接支撑节点构造CAD详图纸
- 钢框架梁与柱的刚性连接节点构造详细设计CAD图纸
- 钢框架梁与柱的刚性连接节点构造CAD详图纸
- 民用钢框架交叉形支撑的连接节点构造CAD详图纸
- 钢框架主次梁铰接连接节点构造CAD详图纸
全部评论
评论网友评论仅友表达个人看法,并不表明本站同意其观点,不得发布违反法律法规的内容!
