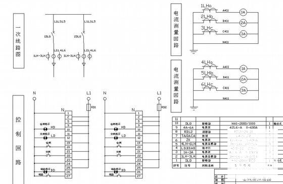
1000KVA箱式变电站电气设计图纸
- 发布时间:2021-12-05
- 评论次数:0
- 浏览次数:0
- 文件大小:0.15 MB
- 收藏次数:0
- 
								文件名称: 附件-995857859775987758805.rar 附件-995857859775987758805.rar
								箱式变电站设计图纸下载
							
						- 室外箱式变电站
- 箱式变电站电气CAD图纸
- 箱式变电站电气CAD图纸
- 小区箱式变电站CAD图纸
- 箱式变电站电气设计图纸.
- 箱式变电站全套生产设计CAD图纸.dwg
- 箱式变电站电气设计CAD图纸.dwg
- 箱式变电站电气施工图纸
- 学校电气外网CAD图纸(箱式变电站)(dwg)
- 箱式变电站安装布置CAD图纸
- 箱式变电站全套生产CAD图纸
- 箱式变电站电气系统CAD图纸
- 箱式变电站低压配电原理CAD图纸
- 箱式变电站电气接线CAD图纸
- 箱式变电站设计CAD图纸(供21页图纸)(一次系统图)
- 500KVA箱式变电站电气设计图纸.dwg
- 箱式变电站电气系统设计CAD图纸.dwg
- 24KV箱式变电站全套电气设计CAD图纸.dwg
- 智能型箱式变电站全套技术设计CAD图纸.dwg
- 箱式变电站基础及接地图纸(5张图纸).dwg
全部评论
						
							评论网友评论仅友表达个人看法,并不表明本站同意其观点,不得发布违反法律法规的内容!
						
						
 
	              	 
	              	 
	              	