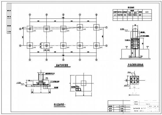
2层钢结构餐馆改造结构设计施工图纸(7度抗震)
- 发布时间:2021-12-01
- 评论次数:0
- 浏览次数:0
- 文件大小:0.28 MB
- 收藏次数:0
- 
								文件名称: 附件-995877866885575788787.rar 附件-995877866885575788787.rar
								改造施工设计图纸下载
							
						- 餐馆装修强电CAD施工图纸
- 餐馆结构CAD施工图纸.dwg
- 多层餐馆电气照明系统CAD施工图纸
- 餐馆电气照明系统CAD施工图纸
- 上1层餐馆装修强电施工图纸
- 3层餐馆空调CAD施工图纸
- 奥运餐馆结构设计节点构造CAD详图纸.dwg
- 奥运餐馆结构设计节点构造详图纸cad平面布置图
- 两层餐馆建筑方案设计CAD图纸
- 烧结机改造工程通廊钢结构CAD施工图纸(8度抗震)(彩色压型钢板)
- 改造工程施工组织设计(抗震等级)
- 公园钢结构桥结构设计施工图纸(6度抗震)
- 钢结构水泵间厂房结构设计施工图纸(8度抗震)
- 指挥中心屋顶钢结构设计施工图纸(6度抗震)
- 单层钢结构厂房结构设计施工图纸(7度抗震)
- 钢结构厂房结构设计施工图纸(6度抗震)
- 钢结构连廊结构设计施工图纸(7度抗震)
- 楼梯间改造加固施工图纸,含钢结构设计总说明
- 6度抗震钢结构厂房图纸
- 钢结构中厅的改造CAD图纸
全部评论
						
							评论网友评论仅友表达个人看法,并不表明本站同意其观点,不得发布违反法律法规的内容!
						
						
 
	              	 
	              	 
	              	