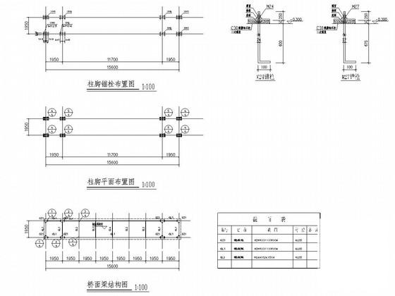
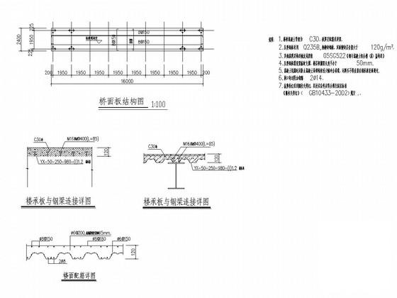
公园钢结构桥结构设计施工图纸(6度抗震)
- 发布时间:2021-11-23
- 评论次数:0
- 浏览次数:0
- 文件大小:0.36 MB
- 收藏次数:0
- 
								文件名称: 附件-995877909595850086977.rar 附件-995877909595850086977.rar
								钢结构抗震设计下载
							
						- 公园钢结构桥结构CAD施工图纸
- 公园平桥CAD施工图纸
- 公园曲桥施工CAD详图纸
- 公园平桥施工详图纸平面图及结构设计总说明
- 丁桥镇公园中标方案平面施工图纸
- 公园仿古木平桥施工设计CAD图纸详图
- 公园平桥施工详细设计CAD图纸
- 公园景桥施工详细设计CAD图纸
- 公园曲桥施工详细设计CAD图纸
- 郊野公园五种桥施工详细设计CAD图纸
- 公园三种景观桥施工CAD详图纸
- 公园内景观桥CAD施工图纸
- 公园内平桥施工大样CAD图纸
- 现代风格公园平桥施工dwg和CAD图纸
- 公园内园桥施工CAD详图纸
- 湿地公园木折桥大样CAD图纸
- 公园小型钢结构框架CAD施工图纸()
- 公园内三种景观桥施工CAD详图纸(双拱桥、连续梁桥、仿赵州桥).dwg
- 汶川桥钢结构设计CAD施工图纸
- 钢结构水泵间厂房结构设计施工图纸(8度抗震)
全部评论
						
							评论网友评论仅友表达个人看法,并不表明本站同意其观点,不得发布违反法律法规的内容!
						
						
 
	              	 
	              	 
	              	